EasyManua.ls Logo

Sony STR-DA7ES - Schematic Diagram -C-Video Section

Sony STR-DA7ES
116 pages
Print Icon
To Next Page IconTo Next Page
To Next Page IconTo Next Page
To Previous Page IconTo Previous Page
To Previous Page IconTo Previous Page
Loading...
4545
STR-DA4ES/DA7ES/VA333ES
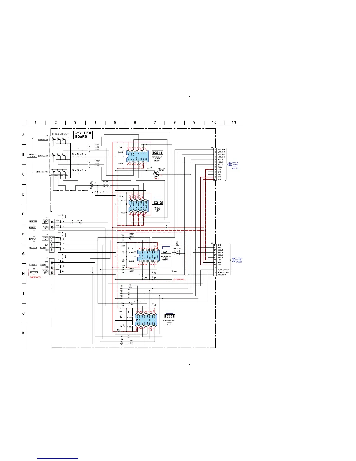
6-22. SCHEMATIC DIAGRAM — C-VIDEO SECTION — • Refer to page 69 for IC Block Diagrams.
IC B/D
IC B/D
IC B/D
C201
C202
C203
C204
C206
C207
C209
C210
C211
C212
C213
C214
C238
C253
C255
C278
C290
C291
C292
C293
C294
C295
C296
C298
C299
C2003
C2005
C2014
J200
J201
R201
R202
R203
R204
R205
R234
R263
R264
R265
C2015
C2009
C297
C2021
C2022
IC212
L208
L209
R291
R292
R293
J212
R260 R261 R262
R257 R258 R259
R266 R267 R268
C283
R256
C208
R280
CNS200
J202
Q207
IC214
R240
FB201
D202
C280
IC211
IC201
C289
R271
C288
R275
C282
C2020
C281
C2019
C240
L206
L207
C285
C284
C287
C286
R253
R207
R206
CNS205
JR260 JR261 JR263
(Page 29)
(Page 42)

Table of Contents

Other manuals for Sony STR-DA7ES

Related product manuals