EasyManua.ls Logo

Sony STR-DA7ES - Schematic Diagram -Amp Section

Sony STR-DA7ES
116 pages
Print Icon
To Next Page IconTo Next Page
To Next Page IconTo Next Page
To Previous Page IconTo Previous Page
To Previous Page IconTo Previous Page
Loading...
5757
STR-DA4ES/DA7ES/VA333ES
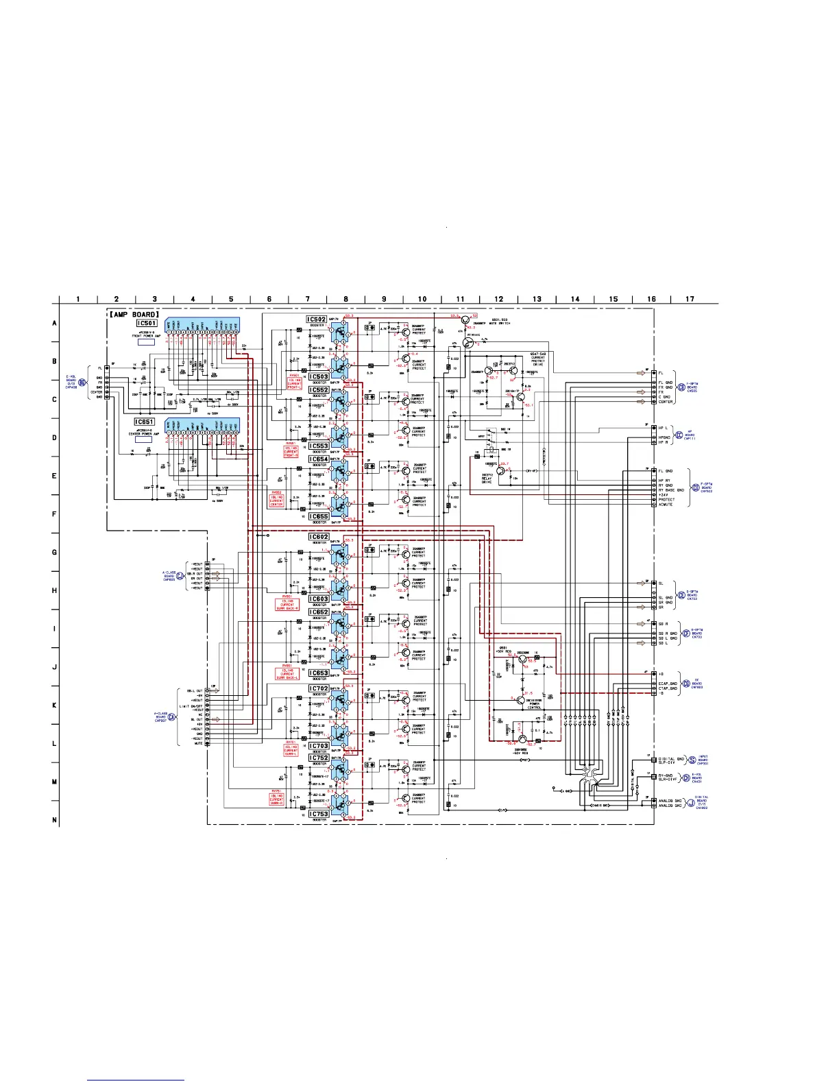
6-33. SCHEMATIC DIAGRAM — AMP SECTION — • Refer to page 70 for IC Block Diagrams.
IC B/D
IC B/D
*
*
*
*
C501
C505
C507
C523
C524
C551
C555
C573
C574
C623
C624
C673
C674
C683
C692
C693
C723
C724
C773
C774
D502
D503
D552
D553
D602
D603
D652
D653
D672
D673
D702
D703
D752
D753
EP501
IC502
IC503
IC552
IC553
IC602
IC603
IC652
IC653
IC654
IC655
IC702
IC703
IC752
IC753
Q501
Q508
Q509
Q548
Q549
Q558
Q559
Q593
Q599
Q608
Q609
Q651
Q652
Q658
Q659
Q708
Q709
Q758
Q759
R504
R505
R
509
R510
R521
R524
R525
R527
R530
R539
R540
R541
R543
R
559
R560
R571
R572
R574
R575
R577
R580
R587
R588
R591
R594
R595
R596
R597
R598
R621
R623
R624
R625
R627
R630
R660
R664
R671
R673
R674
R675
R677
R680
R688
R689
R691
R693
R694
R695
R696
R697
R721
R722
R723
R724
R725
R727
R729
R730
R771
R772
R773
R774
R775
R777
R779
R780
RV501
RV551
RV601
RV651
RV652
RV701
RV751
C681
D592
TP501
TP551
TP652
TP601
TP651
TP701
TP751
R592
CN511
CN513
CNP501
C554
C504
CNP606
CNP608
Q503
CNP505
CNP509
CNP503
C589
C539
R554
R
665
C687
D501
D504
D554
D551
D671
D674
R523
R573
R522
D505
D555
D675
D604
D601
R622
D605
D654
D651
R672
D655
D704
D701
D705
D755
R679
R629
R579
D548
R529
R542
D549
D547
D599
CNP602
CNP504
CNP702
CN504
D591
D
593
D594
CN502
CN501
IC501
R501
R551
C552 R552 R502 C502
C500
C503
C553
R503
R553
IC651
R661
C600
C685
C682 R662
C684
R663
R526
R528
R576
R578
C691
C570
C520
R690
R692
C542
Q547
C541
RY504
C620
R626
R628
C670
R676
R678
C720
R726
R728
C770
R776
R778
Q591
C595
C593
C596
C594
C597
Q592
D754
D751
D591
UDZS-TE-17-11B(US,CND MODEL)
UDZS-TE-17-13B(EXCEPT US,CND MODEL)
D592
UDZS-TE-17-10B(US,CND MODEL)
UDZS-TE-17-12B(EXCEPT US,CND MODEL)
(Page 49)
(Page 51)
(Page 51)
(Page 35)
(Page 48)
(Page 40)
(Page 65)
(Page 63)
(Page 63)
(Page 63)
(Page 59)
(Page 63)

Table of Contents

Other manuals for Sony STR-DA7ES

Related product manuals