EasyManua.ls Logo

Sony STR-DA7ES - Schematic Diagram -A-Class Section

Sony STR-DA7ES
116 pages
Print Icon
To Next Page IconTo Next Page
To Next Page IconTo Next Page
To Previous Page IconTo Previous Page
To Previous Page IconTo Previous Page
Loading...
5151
STR-DA4ES/DA7ES/VA333ES
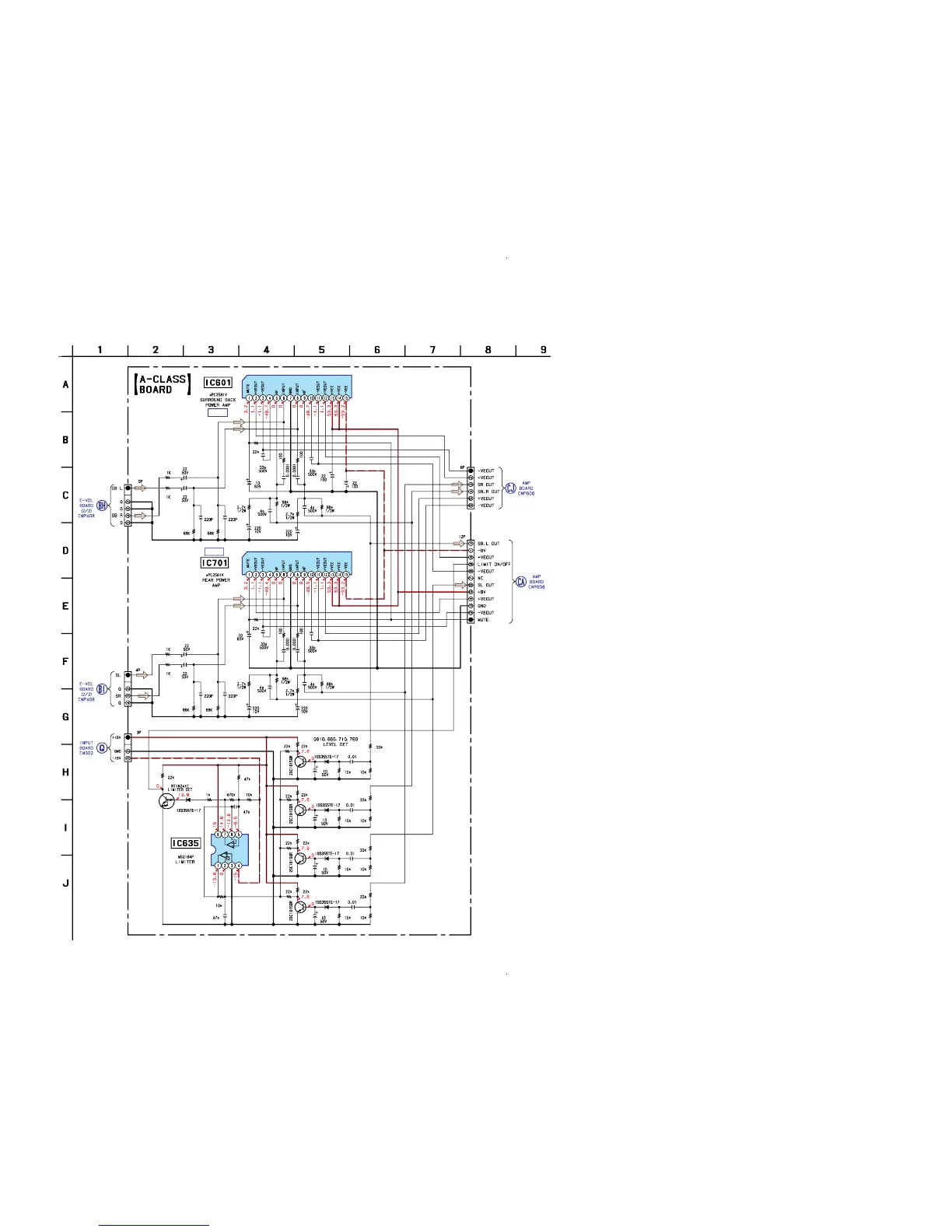
6-27. SCHEMATIC DIAGRAM — A-CLASS SECTION — • Refer to page 70 for IC Block Diagrams.
IC B/D
IC B/D
C705
C755
C789
R704
R754
C605
C610
C635
C655
C660
C689
C710
C760
IC635
R604
R611
R612R613
R614
R615
R635R637R638
R639
R640
R654
R657
R658R667
R668
R669
R711
R712R713
R714R715
R761
R762R763
R764R765
IC701
CNP603
C639
R609
R659
C604
C654
C636
C661
C611
C711
C761
R709
C739
R759
C704
C754
CNP605
CNP607
R601
R651
C602
R602R652
C652
C592
C591
R701
R751
C752
R752 R702
C702
CNP701
R743
R643
IC601
C601
C651
C701
C751
CNP601
C650
C653
R603
R653
C603
C753
R753
R703
C703
C750
Q635
R636
Q610
Q710
Q760
Q660
D661
D611
D711
D761
D635
(Page 49)
(Page 49)
(Page 40)
(Page 57)
(Page 57)

Table of Contents

Other manuals for Sony STR-DA7ES

Related product manuals