EasyManua.ls Logo

Sony STR-DA7ES - Schematic Diagram -Speaker Section

Sony STR-DA7ES
116 pages
Print Icon
To Next Page IconTo Next Page
To Next Page IconTo Next Page
To Previous Page IconTo Previous Page
To Previous Page IconTo Previous Page
Loading...
6363
STR-DA4ES/DA7ES/VA333ES
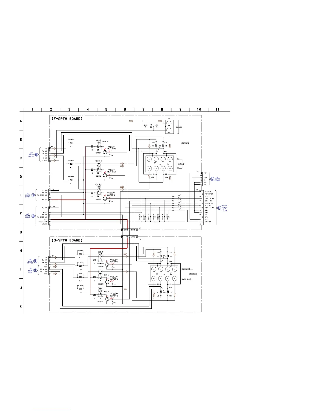
6-39. SCHEMATIC DIAGRAM — SPEAKER SECTION —
R732
R734
R585
R584
L501
R511
R561
R631
L701
R731
R781
R632
R634
L551
L601
L751
D607
D707
D598
D545
D543
D542
D541
D540
R682
R642
D657
D667
R684
R644
D544
D546
R618
D608
R619
L651
R655
L652
R670
CN505
R589
R645
R683
R633
R733
R586
R617
CNP502
CNP506
CNP507
CNS506
CNP651
CNP652
CN703
RY601
RY503
RY661
RY702
RY651
RY652
Q611
Q598
Q621
Q707
Q661
Q602
TM601
TM701
TM501
C694
R698
C695
C561
R562
C511
R512
C564
C566 C565
C563
C765 C715
R716
C613
C713
C614
C714
R666
C665
R616
C615
R766
(Page 57)
(Page 65)
(Page 57)
(Page 57)
(Page 57)
(Page 65)
(Page 29)

Table of Contents

Other manuals for Sony STR-DA7ES

Related product manuals