EasyManua.ls Logo

Sony STR-DA7ES - Schematic Diagram -Power Section

Sony STR-DA7ES
116 pages
Print Icon
To Next Page IconTo Next Page
To Next Page IconTo Next Page
To Previous Page IconTo Previous Page
To Previous Page IconTo Previous Page
Loading...
6565
STR-DA4ES/DA7ES/VA333ES
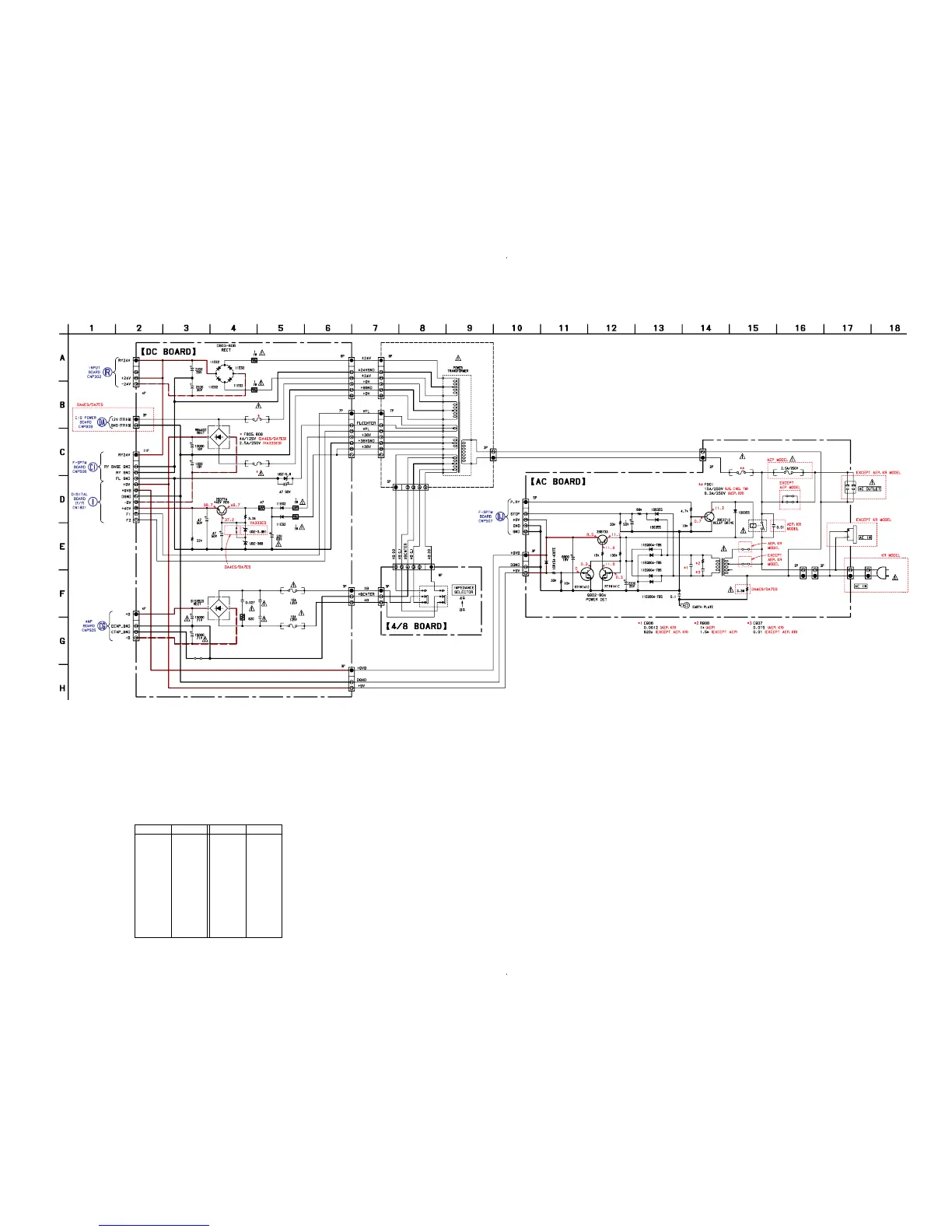
6-41. SCHEMATIC DIAGRAM — POWER SECTION —
*
*
*
C815
R801
R803
D811
D816
D905
Q902
Q903
Q904
R902
R903
R905
R907
R909
EP901
CNJ901
R904 D906
D907
R808
D803
D804
D805
D806
D812
D813
C801
C802
C822
R910
R908
C812
R804
R805
C904
CNP806
CNP801
C824
C823
C809
C808
C816
C805
R802
CNP803
CNP906
C902
C903
D904
D903
D902
D901
C905
CNP911
CNP900
S902
Q801
R806
R807
Q901
FH805 FH855
FH806 FH856
FH801 FH851
FH802 FH852
FH901 FH951 FH902 FH952
D801
CNP802
CNP804
CNS901
CNS903
CNS904
CN801
CNP807
CNP908
CNS902
CNP902
T901
RY901
CNP808 F805
F806
D807
D814
JR801
F801
F802
C803
C804
JWH801
CNP903
CN902
D908
C906
R906
C907
T902
JW901
JW902
R901
CNP901
CNP904
CNP910
C901
JW904
JW905
F902
F901
J901
C801,802
0.022(DA4ES,DA7ES)
0.047(VA333ES)
(Page 63)
D801 E-4
D803 D-4
D804 D-4
D805 D-4
D806 D-4
D807 C-4
D811 B-3
D812 B-5
D813 B-5
D814 B-3
D816 B-4
D901 G-9
D902 G-9
Semiconductor Location
Ref. No. Location Ref. No. Location
D903 G-9
D904 G-9
D905 E-11
D906 F-9
D907 G-10
D908 G-12
Q801 B-3
Q901 F-11
Q902 F-12
Q903 F-12
Q904 F-11
(Page 40)
(Page 53)
(Page 63)
(Page 35)
(Page 57)

Table of Contents

Other manuals for Sony STR-DA7ES

Related product manuals