EasyManua.ls Logo

Sony STR-DB790 - Page 112

Sony STR-DB790
120 pages
Print Icon
To Next Page IconTo Next Page
To Next Page IconTo Next Page
To Previous Page IconTo Previous Page
To Previous Page IconTo Previous Page
Loading...
STR-DA1000ES/DB790
88
STR-DA1000ES/DB790
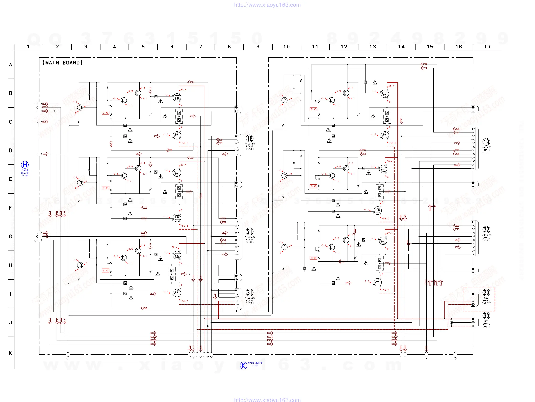
3-4. SCHEMATIC DIAGRAM – MAIN Board (3/3) –
(Refer to page 45
on original
service manual)
(Refer to page 45
on original
service manual)
(Refer to page 45
on original
service manual)
(Refer to page 45
on original
service manual)
(Refer to page 45
on original
service manual)
(Refer to page 53
on original
service manual)
(Refer to page 47
on original
service manual)
C582
C532
R536
R586
C682
Q683
R687 R685
R682
Q681
Q684
R662
R663
R512
Q531
Q534
R532
R563
R585
R581
R582
Q581
Q584
R587
CN582
CN501
CN532
CN651
CN682
R537
Q533
Q583
CN601
CN632Q631
Q634
R632R636
C632
Q633
R637
R612
Q484
Q481
R482R486
C482
Q483
R487
R463
R462
R412
R437
C432
R436 R432
Q433
Q431
Q434
CN482
CN401
CN432
CN421
CN415
JW131
R686
Q652
C581
R564
Q553
Q552
Q502
Q503
R664
R514
Q653
C531
C681
R535
R513
RV581
R531
RV531
RV681
R681
CN423
C404
C403
C631
C481
Q602
Q603
Q452
Q453
Q402
Q403
R614
R464
R414
R613
R635
R485
R435
R413
RV631
R631
RV481
R481
RV431
R431
C431
C431, 481, 531, 581, 631, 681
47 16V (DA1000ES)
47 25V (DB798)
R562
220p
220p
4.7k
4.7k
220p
2SA988
1.8k 6.2k
2.2k
2SD1915
2SA1115
100
100
100
2SD1915
2SA1115
2.2k
100
6.2k
470
2.2k
2SD1915
2SA1115
1.8k
2P
12P
2P
10P
2P
1.8k
2SA988
2SA988
6P
2P2SD1915
2SA1115
2.2k4.7k
220p
2SA988
1.8k
100
2SA1115
2SD1915
2.2k4.7k
220p
2SA988
1.8k
100
100
100
1.8k
220p
4.7k 2.2k
2SA988
2SD1915
2SA1115
2P
12P
2P
6P
3P
4.7k
MN2488
0.22X2
5W
MP1620
MN2488
MN2488
MP1620
0.22X2
5W
0.22X2
5W
MP1620
6.2k
100
220
470
220
220
470
3P
22
100V
22
100V
MN2488
MP1620
MN2488
MP1620
MN2488
MP1620
0.22X2
5W
0.22X2
5W
0.22X2
5W
100
6.2k
6.2k
6.2k
100
220
470
220
470
220
470
100
B1
B2
B3
B4
B5
B6
B7
B8
C1
C2
C3
C4
C5
C6
C7
C8
C9
C10
C11
C12
Q1
Q2
Q3
Q4
Q6
Q5
Q7
+B
-B
BIAS+
BIAS-
NF
SR
BIAS+
BIAS-
NF
GND
SL
BIAS+
BIAS-
NF
GND
BIAS+
BIAS-
NF
BIAS+
BIAS-
NF
GND
BIAS+
BIAS-
NF
GND
C
R
L
GND
GND
GND
SHORT
GND
GND
+B
-B
GND
LIMITER
+B
-B
SBL
GND
GND
GND
GND
GND
GNDGND
SB(R)
(3/3)
BOOSTER
BOOSTER
BOOSTER
BOOSTER
BOOSTER
BOOSTER
DETECT
CURRENT
DETECT
CURRENT
DETECT
CURRENT
(FOR ADJUSTMENT)
(FOR ADJUSTMENT)
(FOR ADJUSTMENT)
(FOR ADJUSTMENT)
(FOR ADJUSTMENT)
(FOR ADJUSTMENT)
BOOSTER
BOOSTER
BOOSTER
BOOSTER
BOOSTER
BOOSTER
BIAS
BIAS
BIAS
BIAS
BIAS
BIAS
BIAS
BIAS
BIAS
BIAS
BIAS
BIAS
DETECT
CURRENT
DETECT
CURRENT
DETECT
CURRENT
(DA1000ES)
*
*
*
*
*
*
*
(Page 6)
(Page 7)
w
w
w
.
x
i
a
o
y
u
1
6
3
.
c
o
m
Q
Q
3
7
6
3
1
5
1
5
0
9
9
2
8
9
4
2
9
8
T
E
L
1
3
9
4
2
2
9
6
5
1
3
9
9
2
8
9
4
2
9
8
0
5
1
5
1
3
6
7
3
Q
Q
TEL 13942296513 QQ 376315150 892498299
TEL 13942296513 QQ 376315150 892498299
http://www.xiaoyu163.com
http://www.xiaoyu163.com

Table of Contents

Other manuals for Sony STR-DB790

Related product manuals