EasyManua.ls Logo

Sony STR-DB790 - Schematic Diagram - DC1;DC2;TH;4;8 SW Boards

Sony STR-DB790
120 pages
Print Icon
To Next Page IconTo Next Page
To Next Page IconTo Next Page
To Previous Page IconTo Previous Page
To Previous Page IconTo Previous Page
Loading...
STR-DA1000ES/DB790
5353
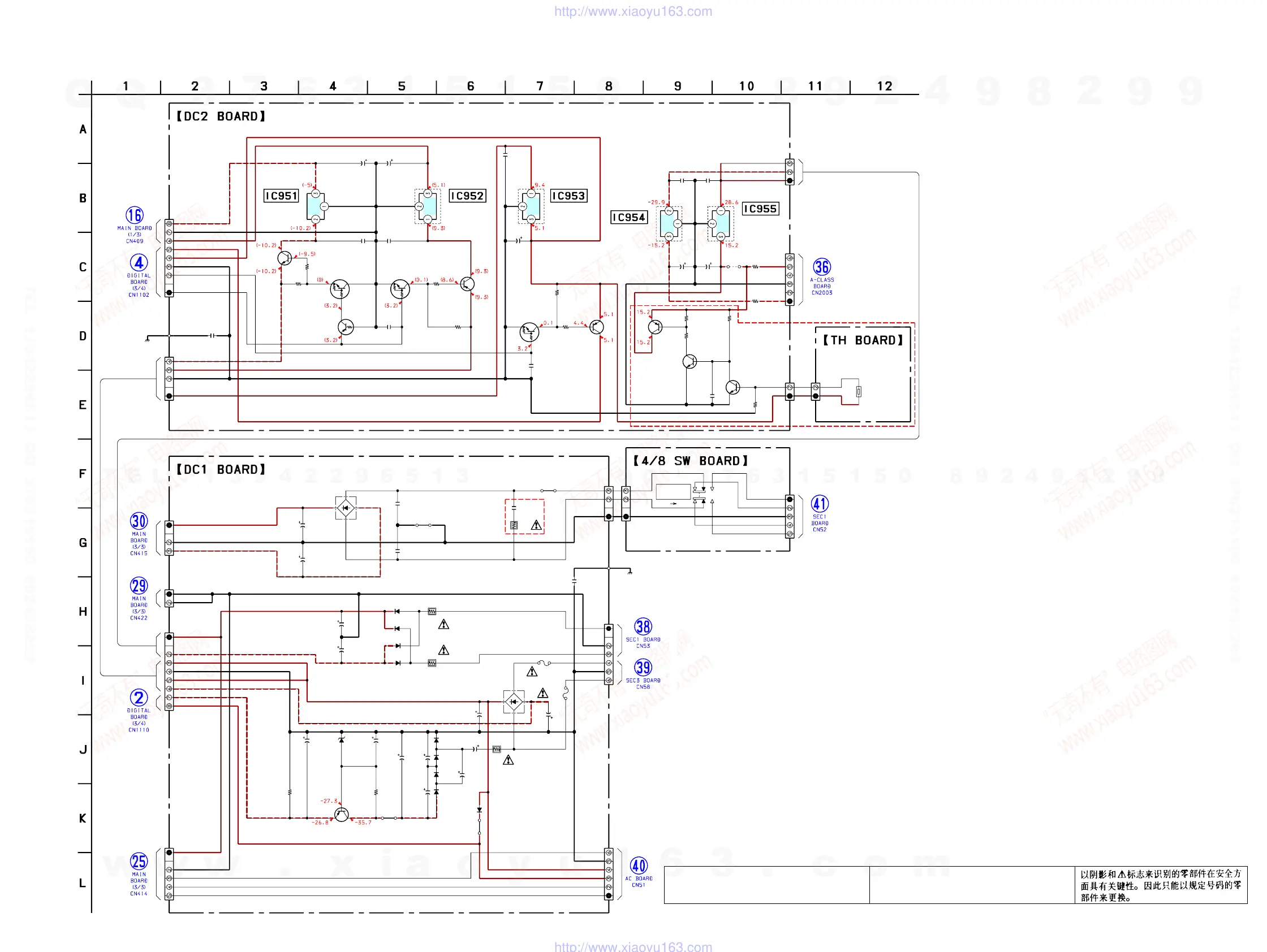
6-35. SCHEMATIC DIAGRAM – DC1/DC2/TH/4/8 SW Boards –
JW907
CN906
CN912
CN911
C908
D909
C923
C924
D915
D913
D912
D916
C925
C926
C909
C906
R904
D902
C904
R902
D904
D905
D903
D906
CN909
D914
C917
C918
JW901
CN910
R910
R912
R911
C915
C916
C902
C903
F903
F904
Q903
C920
EB901
CN907
C907
CN902 S901
4 8
CN901
CN951
CN950
C958
C954
C962C960
C952 C956
CN952
CN953
R955
R956
R954
R959
C964
EB903
Q954
Q955
Q953
IC951
Q956
IC952
Q957
Q958
IC953
C959
R957
C957
Q959
C961 C963
IC955
IC954
D908
C919
R913
CN913
C955C953
R958
R961
JW905
R963
R962
C965
CN954
Q960
THP901
Q961
Q962
R965
R960
R964
6P
6P
3P
1000
16V
11ES2
220
25V
220
25V
11ES2
11ES2
11ES2
11ES2
220
25V
220
25V
330
50V
47
50V
10k
MTZJ-33A
47
50V
22k
11ES2
11ES2
11ES2
11ES2
5P
S5VB20
3P
2.2
1
1W
1
1W
2200
35V
1000
35V
2SB1241
0.01
8P
4700
16V
3P
5P
6P
4P
0.22
0.1
0.220.22
47
16V
470
16V
8P
3P
680
10k
1k
10k
0.1
DTA114TSA
RT1N141S
2SD773
M5F7905
RT1N141S
7805
2SB733
RT1N141S
7805
0.1
680
4700
6.3V
2SB733
1000
25V
1000
25V
M5F7815L
M5F7915L
RBV-402
0.1
200V
150
2P
0.220.22
10k
10
1/2W
4.7k
10k
0.1
2P
2SB1565
2SC2785
2SC2785
47
10
1/2W
220k
O-B
O-A
GND
GND
+24V
-24V
GND
+8v
-8v
P. R Y
STOP
8V
SUB,T
GND
8V
(CHASSIS)
+B
-B
B GND
+15V
-15V
+5V(D)
+5V(V)
-5V(V)
GND(D)
-28V(FL)
+24V(RY)
GND(RY)
STOP
SUB,T
F903,904
4A 125V
T4AL 250V
C917,918
(DA1000ES)
(DB790)0.015 100V
0.033 250V
(DA1000ES)
(DB790)
C915,916
10000 71V
12000 63V
-28V REGULATOR
PW-RY
+8V
GND
IMPEDANCE
SELECTOR
-1
-2
LO-A
LO-B
V-POWER
D-POWER
D.GND
+5V.FL
+15V
-15V
GND
+5V.V
-5V.V
V. GND
+5V.D(+8V)
+5V(D)
+5V(V)
-5V(V)
GND(D)
+15V
-15V
(CHASSIS)
B- SWITCH
B- SWITCH
B- SWITCH
-5V REGULATOR G
O
I
B+ SWITCH
+5V REGULATORG
O
I
B+ SWITCH
B+ SWITCH
+5V REGULATOR
I
G
O
B+ SWITCH
-15V REGULATOR
O
G
II
G
O
+15V REGULATOR
2
3
14
1
2
4
3
(DB790)
HI-A
HI-B
(DA1000ES)
(DB790)
+5V
THTHERMAL DETECT
Q960-962
(DB790)
(Page 30)
(Page 41)
(Page 43)
(Page 43)
(Page 30)
(Page 43)
(Page 45)
(Page 55)
(Page 55)
(Page 55)
(Page 55)
The components identified by mark 0 or dotted
line with mark 0 are critical for safety.
Replace only with part number specified.
Les composants identifiés par une marque 0 sont
critiques pour la sécurité. Ne les remplacer que
par une pièce portant le numéro spécifié.
Ver 1.3
w
w
w
.
x
i
a
o
y
u
1
6
3
.
c
o
m
Q
Q
3
7
6
3
1
5
1
5
0
9
9
2
8
9
4
2
9
8
T
E
L
1
3
9
4
2
2
9
6
5
1
3
9
9
2
8
9
4
2
9
8
0
5
1
5
1
3
6
7
3
Q
Q
TEL 13942296513 QQ 376315150 892498299
TEL 13942296513 QQ 376315150 892498299
http://www.xiaoyu163.com
http://www.xiaoyu163.com

Table of Contents

Other manuals for Sony STR-DB790

Related product manuals