EasyManua.ls Logo

Sony STR-DB790 - Schematic Diagram - MAIN Board (2;3)

Sony STR-DB790
120 pages
Print Icon
To Next Page IconTo Next Page
To Next Page IconTo Next Page
To Previous Page IconTo Previous Page
To Previous Page IconTo Previous Page
Loading...
STR-DA1000ES/DB790
4242
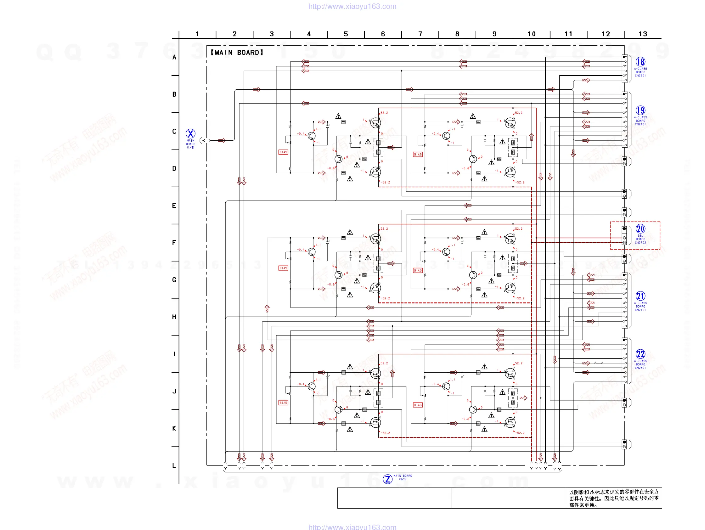
6-24. SCHEMATIC DIAGRAM – MAIN Board (2/3) –
R531
Q581
R581
R582
R563
C582 R586
R585
R513
R535
R536C532
R532
R686C682
R682
R685
R663
R662
Q531
Q681
R681
CN501
CN651
C632 R636
R631
R632
Q631
R635
R613
C482 R486
R481
R482
R462
R485
R463
Q481
R537
R587
C432 R436
R432
R431
R437
R413
R435
R412
Q431
R487
R637
R687
CN401
CN601
CN423
CN532
CN482
CN632
CN582
CN682
CN432
JW131
C631 C581
C531C481
C681C431
R562R612
Q603 Q553
Q602
Q552
Q633 Q583
R512
Q502Q452
Q503Q453
Q533Q483
Q683Q433
Q402 Q652
Q653Q403
RV681
RV531
RV581
RV631
RV481
RV431
R564R614
R464 R514
R664R414
560
2SD1915
560
2.7k
100
220p 4.7k
6.2k
100
6.2k
4.7k220p
2.7k
4.7k220p
2.7k
6.2k
100
100
2SD1915
2SD1915
560
12P
10P
220p 4.7k
560
2.7k
2SD1915
6.2k
100
220p 4.7k
560
2.7k
100
6.2k
100
2SD1915
1.8k
1.8k
220p 4.7k
2.7k
560
1.8k
100
6.2k
100
2SD1915
1.8k
1.8k
1.8k
12P
6P
3P
2P
2P
2P
2P
2P
2P
47
16V
47
16V
47
16V
47
16V
47
16V
47
16V
100100
MP1620 MP1620
MN2488
MN2488
2SA988 2SA988
100
MN2488MN2488
MP1620MP1620
2SA9882SA988
2SA9882SA988
MN2488 MN2488
MP1620MP1620
1k
1k
1k
1k
1k
1k
0.22X2
5W
0.22X2
5W
0.22X2
5W
0.22X2
5W
0.22X2
5W
0.22X2
5W
Z1
X1
X2
X3
X4
X5
X6
X7
X8
X9
X10
X11
Z2
Z3
Z4
Z5
Z6
Z7
Y1
Y
2
Y
3
Y
4
Y5
Y6
Y
7
Z1
BIAS+
BIAS-
NF
SR
BIAS+
BIAS-
NF
GND
SL
BIAS+
BIAS-
NF
GND
BIAS+
BIAS-
NF
BIAS+
BIAS-
NF
GND
BIAS+
BIAS-
NF
GND
C
R
L
GND
GND
GND
SHORT
GND
+B
-B
SBL
GND
GND
GND
GND
GND
SB(R)
(2/3)
(FOR ADJUSTMENT)
(FOR ADJUSTMENT)
(FOR ADJUSTMENT)
(FOR ADJUSTMENT)
(FOR ADJUSTMENT)
(FOR ADJUSTMENT)
(DA1000ES)
BOOSTER BOOSTER
BOOSTER
BOOSTER
BIASBIAS
DETECT
CURRENT
DETECT
CURRENT
BOOSTERBOOSTER
BOOSTERBOOSTER
DETECT
CURRENT
DETECT
CURRENT
BIAS BIAS
BIASBIAS
DETECT
CURRENT
DETECT
CURRENT
BOOSTER
BOOSTER BOOSTER
BOOSTER
(Page 41)
(Page 43)
(Page 45)
(Page 45)
(Page
47)
(Page 45)
(Page 45)
The components identified by mark 0 or dotted
line with mark 0 are critical for safety.
Replace only with part number specified.
Les composants identifiés par une marque 0 sont
critiques pour la sécurité. Ne les remplacer que
par une pièce portant le numéro spécifié.
w
w
w
.
x
i
a
o
y
u
1
6
3
.
c
o
m
Q
Q
3
7
6
3
1
5
1
5
0
9
9
2
8
9
4
2
9
8
T
E
L
1
3
9
4
2
2
9
6
5
1
3
9
9
2
8
9
4
2
9
8
0
5
1
5
1
3
6
7
3
Q
Q
TEL 13942296513 QQ 376315150 892498299
TEL 13942296513 QQ 376315150 892498299
http://www.xiaoyu163.com
http://www.xiaoyu163.com

Table of Contents

Other manuals for Sony STR-DB790

Related product manuals