EasyManua.ls Logo

Sony STR-DB790 - Schematic Diagram - SBL;STAY;STAY2 Boards

Sony STR-DB790
120 pages
Print Icon
To Next Page IconTo Next Page
To Next Page IconTo Next Page
To Previous Page IconTo Previous Page
To Previous Page IconTo Previous Page
Loading...
STR-DA1000ES/DB790
4747
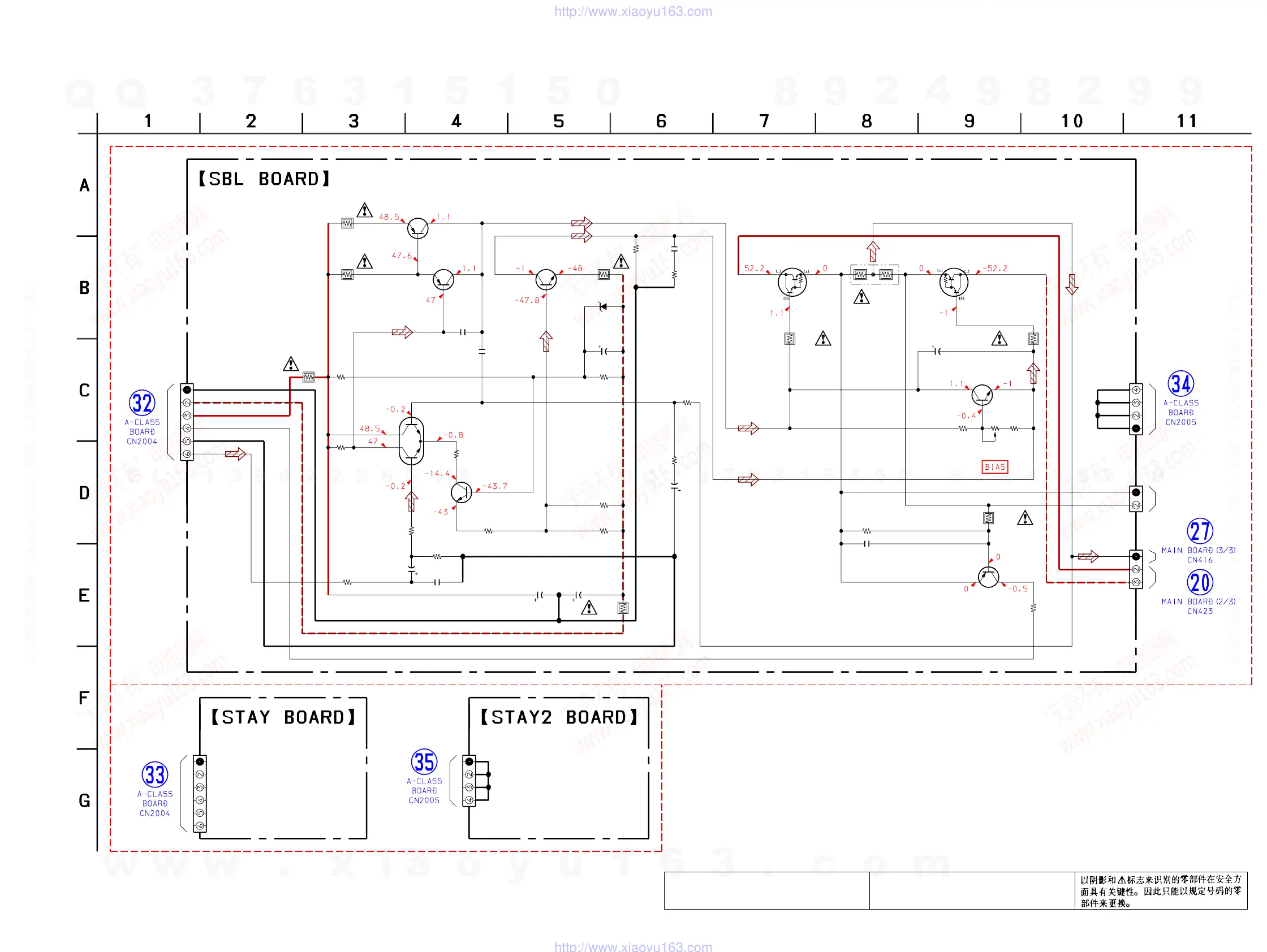
6-29. SCHEMATIC DIAGRAM – SBL/STAY/STAY2 Boards –
R2706
CN2701
R2704
R2703
R2705
R2711
R2701
R2708
R2707
R2718
R2715
D2701
R2712
R2716
C2708
R2719
R2709
R2710
CN2702
CN732
R737
Q733
R735R736
C732
R731R732
R713R712
CN2703
R2714
R2713
R2717
C2702
C2808 C2807
C2705
C2707
C2706
Q2706Q2704
Q2705
R714
C731
Q731
Q703
RV731
C2704
Q2701
Q2703
Q702
CN2705CN2704
C2701
R2702
1.2k
6P
1.2k
330
4.7k
100k
1k
3.3k
560
10
120
MTZJ5.6B
100k
33k
220p
100V
150
2.2k
56k
3P
2P
1.8k
2SA988
6.2k4.7k
220p
5602.7k
100100
4P
120
470
10
22
63V
10
100V
10
100V
330
25V
33p
500V
4p
500V
2SC22292SA992
2SA949
0.22X2
5W
47
16V
2SD1915
MP1620
1k
220
16V
2SC5169
2SC1740
MN2488
4P6P
220p
56k
GND
SHORT
+BA
-BA
GND
+B
-B
SBL
SBL
1
2
4
3
5
BIAS
BIAS
BIAS
BIAS
BOOSTER BOOSTER
CURRENT
DETECT
(FOR ADJUSTMENT)
PRE DRIVE
PRE DRIVE
(DB790)
(DA1000ES)
(Page 45)
(Page 45)
(Page 45)
(Page 45)
(Page 43)
(Page 42)
The components identified by mark 0 or dotted
line with mark 0 are critical for safety.
Replace only with part number specified.
Les composants identifiés par une marque 0 sont
critiques pour la sécurité. Ne les remplacer que
par une pièce portant le numéro spécifié.
w
w
w
.
x
i
a
o
y
u
1
6
3
.
c
o
m
Q
Q
3
7
6
3
1
5
1
5
0
9
9
2
8
9
4
2
9
8
T
E
L
1
3
9
4
2
2
9
6
5
1
3
9
9
2
8
9
4
2
9
8
0
5
1
5
1
3
6
7
3
Q
Q
TEL 13942296513 QQ 376315150 892498299
TEL 13942296513 QQ 376315150 892498299
http://www.xiaoyu163.com
http://www.xiaoyu163.com

Table of Contents

Other manuals for Sony STR-DB790

Related product manuals