EasyManua.ls Logo

SPX FLOW Johnson pump - Parts List and Sectional Drawing KGE, Bearing Bracket 2, KGE22-6

SPX FLOW Johnson pump
57 pages
Print Icon
To Next Page IconTo Next Page
To Next Page IconTo Next Page
To Previous Page IconTo Previous Page
To Previous Page IconTo Previous Page
Loading...
50 Parts KGE/EN (1711) 6.5
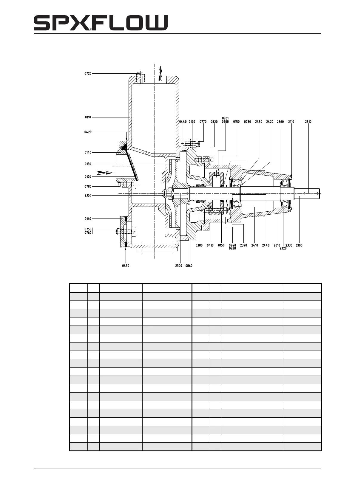
10.8 Parts list and sectional drawing KGE, Bearing bracket 2, KGE22-6
Figure 24:
Item Qty Description Material Item Qty Description Material
0110 1 pump casing cast iron 0780 4 Allen screw steel
0120 1 shaft seal cover cast iron 0820 8 Allen screw steel
0130* 1 impeller cast iron/ bronze 0830 2 stud steel
0140 1 suction cover cast iron 0840 2 nut steel
0150 1 oil reservoir cast iron 0860 1 spacer sleeve bronze
0160 1 cleaning cover cast iron 2010 1 bearing bracket cast iron
0170* 1 suction valve steel / rubber 2100* 1 pump shaft stainless steel
0380* 1 mechanical seal BSVGG 2110 2 bearing cover steel
0410* 1 gasket for 0150 -- 2300* 1 key stainless steel
0420* 1 gasket for 0140 -- 2310* 1 key steel
0430* 1 gasket for 0162 rubber 2320* 1 ball bearing --
0440* 1 gasket for 0110 -- 2330 2 inner circlip spring steel
0700 1 plug forgeable cast iron 2350 1 cap nut bronze
0701 1 plug synthetic material 2360 2 filling ring steel
0720 1 plug forgeable cast iron 2370 1 deflector rubber
0730* 1 oil seal rubber 2410* 1 angular contact bearing --
0750 2 stud steel 2420 1 filling ring steel
0760 2 nut steel 2430 1 nilos ring steel
0770 12 Allen screw steel 2440* 1 nilos ring steel

Table of Contents

Related product manuals