EasyManua.ls Logo

ST STEVAL-STWINBX1 - Schematic Diagrams; Figure 34. Core System Board Circuit Schematic (1 of 8)

ST STEVAL-STWINBX1
58 pages
Print Icon
To Next Page IconTo Next Page
To Next Page IconTo Next Page
To Previous Page IconTo Previous Page
To Previous Page IconTo Previous Page
Loading...
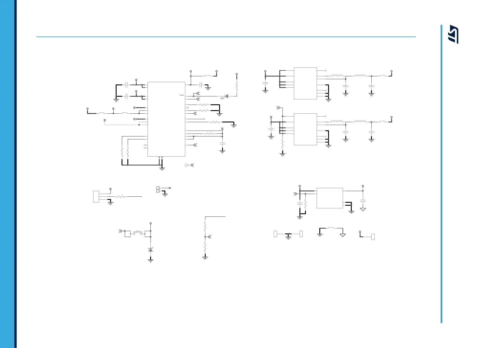
5 Schematic diagrams
Figure 34. Core system board circuit schematic (1 of 8)
10mA 100mA
Battery monitor
(4.2V -> 3V)
Battery management
3V3 150mA
PA8
3V3 400mA.
PA0
PD0
PI5
2.7 V Analog LDO
5V
VBat
VBat
VBat
DCDC_1
SYS
DCDC_1
VBat
3V3_LDO
DCDC_1
3V3_Ext
DCDC_1
DCDC_2
DCDC_1
SYS
3V3_SD_485
DCDC_1
SYS DCDC_2
DCDC_1 2V75A
CHRG
BUTTON_PWR
BUTTON_PWR
SW_SEL
uC_ADC_BATT
SW_SEL
C_EN
DCDC_2_EN
LDO_EN
C19
47uF
0RSB18
C55
47uF
TP3
NU
1
1
PWR1
4
2 3
R11 100k
C11
1uF
U16
EN
12
ST1PS02CQTR
SW
3
5
VOUT
D1
10
9
D0
2
VIN
7
PGOOD
4
GND
D2
11
6
VOUT2
1
AUX
CL
8
LED_C1
Red
21
L5 10uH
R16
100k
R19
100K
R10 NU
C21
4.7uF
SB13 NU
C17 1uF
R17 0R
J4
NU
1
2
U15
IN1
STBC02AJR
E5
LDO
F4
F3
SW1_I
GND
A3
SYS1
C5
AGND
B4
E4
SW1_OA
E3
SW1_OB
ISET
A4
IPRE
D4
D2
WAKEUP
A5
BAT1
A2
BATSNSFV
B3
BATSNS
NTC
D1
C4
BATMS
C2
nRESET
E2
SW2_I
F2
SW2_OA
F1
SW2_OB
C1
SW_SEL
B2
RST_PENDING
A1
RESET_NOW
CEN
B1
CHG
E1
IN2
F5
BAT2
B5
SYS2
D5
NC
C3
NC2
D3
R15 0R
U10
1
OUT
LDLN025PU275R
2
GND
3
EN
4
IN
5
Exp_pad
TVS1
12
ESDALC6V1-1M2
U19
EN
12
ST1PS02CQTR
SW
3
5
VOUT
D1
10
D0
9
2
VIN
7
PGOOD
4
GND
D2
11
6
VOUT2
1
AUX
CL
8
C54
10uF
TP7
R13
2k
SB190R
C18 10uF
R9
100k
R50
100k
R18
2k
L1 2.2uH
R12
20K
C53
10uF
L6 10uH
NUSB14
TP1
NU
1
SB12 0R
C86
47uF
C20 10uF
C75
1uF
L2 2.2uH
0RSB15
C87
47uF
TP2
NU
1
BATT1
3
2
1
R14
Battery Connector
56K
BATMS
BAT_NTC
BAT_NTC
BATMS
3.3V DC-DC
PD10
PC2
PE15
3V3 400mA
UM2965 - Rev 1
page 35/58
UM2965
Schematic diagrams

Table of Contents

Related product manuals