EasyManua.ls Logo

Stepp SPHD series - Spare Tire Carrier

Default Icon
192 pages
Print Icon
To Next Page IconTo Next Page
To Next Page IconTo Next Page
To Previous Page IconTo Previous Page
To Previous Page IconTo Previous Page
Loading...
91
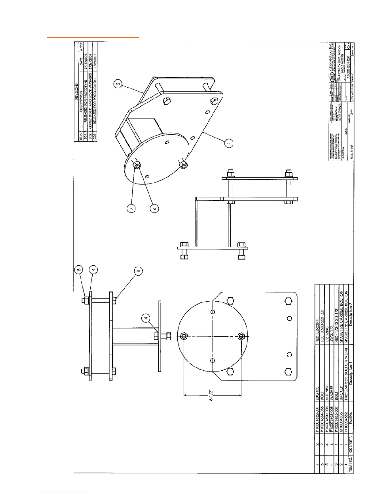
REPLACEMENT PARTS Spare Tire Carrier

Table of Contents

Related product manuals