EasyManua.ls Logo

Steris SYSTEM 1E - Page 139

Steris SYSTEM 1E
179 pages
Print Icon
To Next Page IconTo Next Page
To Next Page IconTo Next Page
To Previous Page IconTo Previous Page
To Previous Page IconTo Previous Page
Loading...
30
764333-676
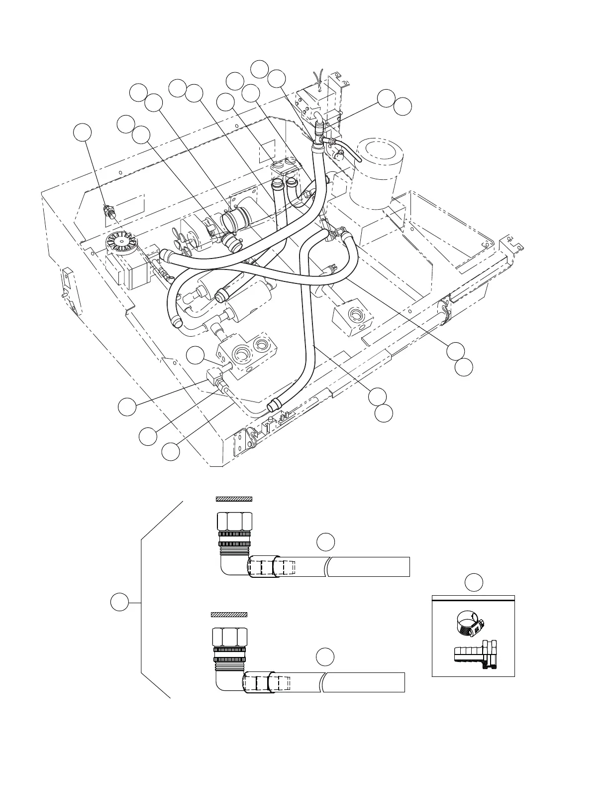
Figure 10. Water Hoses
22
2
16
3
17
6
15
13
7
8
15
15
4
15
9
10
11
5
14
1
14
19
19
20
Drain Hose
Fill Hose
SOL5
SOL7
18
12

Table of Contents

Related product manuals