EasyManua.ls Logo

Stoll FZ - Hydraulics Diagram FZ and FZ-L

Default Icon
120 pages
Print Icon
To Next Page IconTo Next Page
To Next Page IconTo Next Page
To Previous Page IconTo Previous Page
To Previous Page IconTo Previous Page
Loading...
B58FZS 0000000078 EN 002 112
CONTENTS
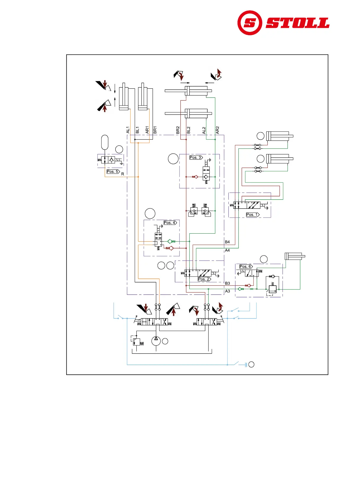
11.4.2 Hydraulics diagram FZ and FZ-L
Fig. 103 Hydraulics diagram FZ and FZ-L
Legend
F1, S1 4th control circuit (optional)
F2, S2 3rd control circuit (optional)
F3a, S3a Quick emptying (only FZ-L)
F4b, S4b Return To Level (only FZ-L)
F5, S5 Comfort-Drive (optional)
F6, S6 Hydro-Lock (optional)
P Tractor pressure
Z Ignition
B04F
210 bar 210 bar
S4b
P
Z
S2 / S3a
S1
B1 A1 A2B2
A2 A1
C2 C1
B2
B1
F2
F1
F3a
F5
F4b
F1F2
F6
150 bar

Table of Contents

Related product manuals