EasyManua.ls Logo

Subaru 602 - Can Bus B or KAC

Subaru 602
162 pages
Print Icon
To Next Page IconTo Next Page
To Next Page IconTo Next Page
To Previous Page IconTo Previous Page
To Previous Page IconTo Previous Page
Loading...
22
June 2013
Electrical Systems Operation & Diagnosis Module (602)
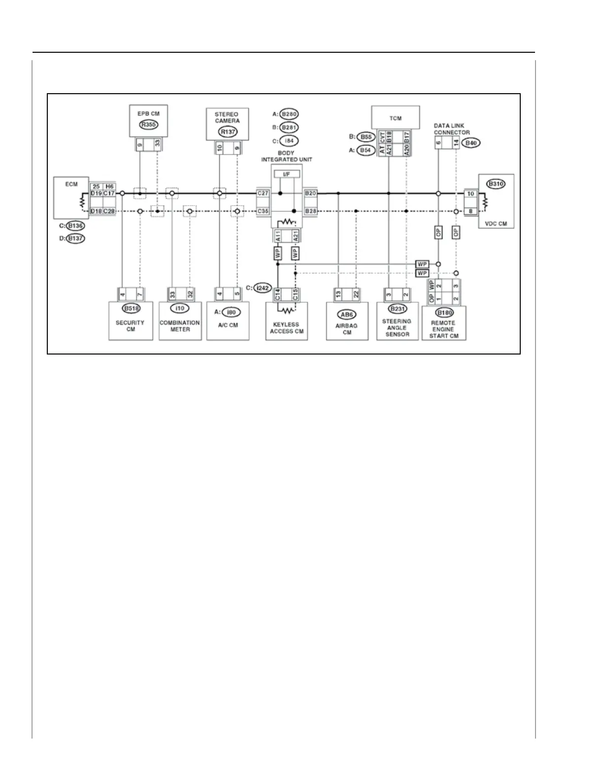
CAN Bus B or KAC
CAN Bus B or KAC
Keyless Access and Push Button Start vehicles are equipped with a second High speed CAN.
The name for this new High Speed CAN will be High Speed CAN Bus B or KAC.
This circuit is isolated from the Main CAN Bus and only functions with Keyless Access control
and diagnostics.
The circuit design of CAN Bus B is the same as the Main Can Bus. 120 ohm terminators are
located in the BIU and the Keyless Access Control Module.
The only branch currently installed on CAN Bus B is the Remote Engine Start Control Module.
C 14 is the CAN Bus B High wire and C 15 is the CAN Bus B Low wire.
This CAN circuit controls the lock and unlock signals from the Keyless Access CM to the Body
integrated Unit. A failure disables the Keyless Access lock and unlock functions.
23

Table of Contents

Related product manuals