EasyManua.ls Logo

Subaru 602 - Low Speed CAN and LIN Systems; Low Speed CAN

Subaru 602
162 pages
Print Icon
To Next Page IconTo Next Page
To Next Page IconTo Next Page
To Previous Page IconTo Previous Page
To Previous Page IconTo Previous Page
Loading...
23
June 2013
Electrical Systems Operation & Diagnosis Module (602)
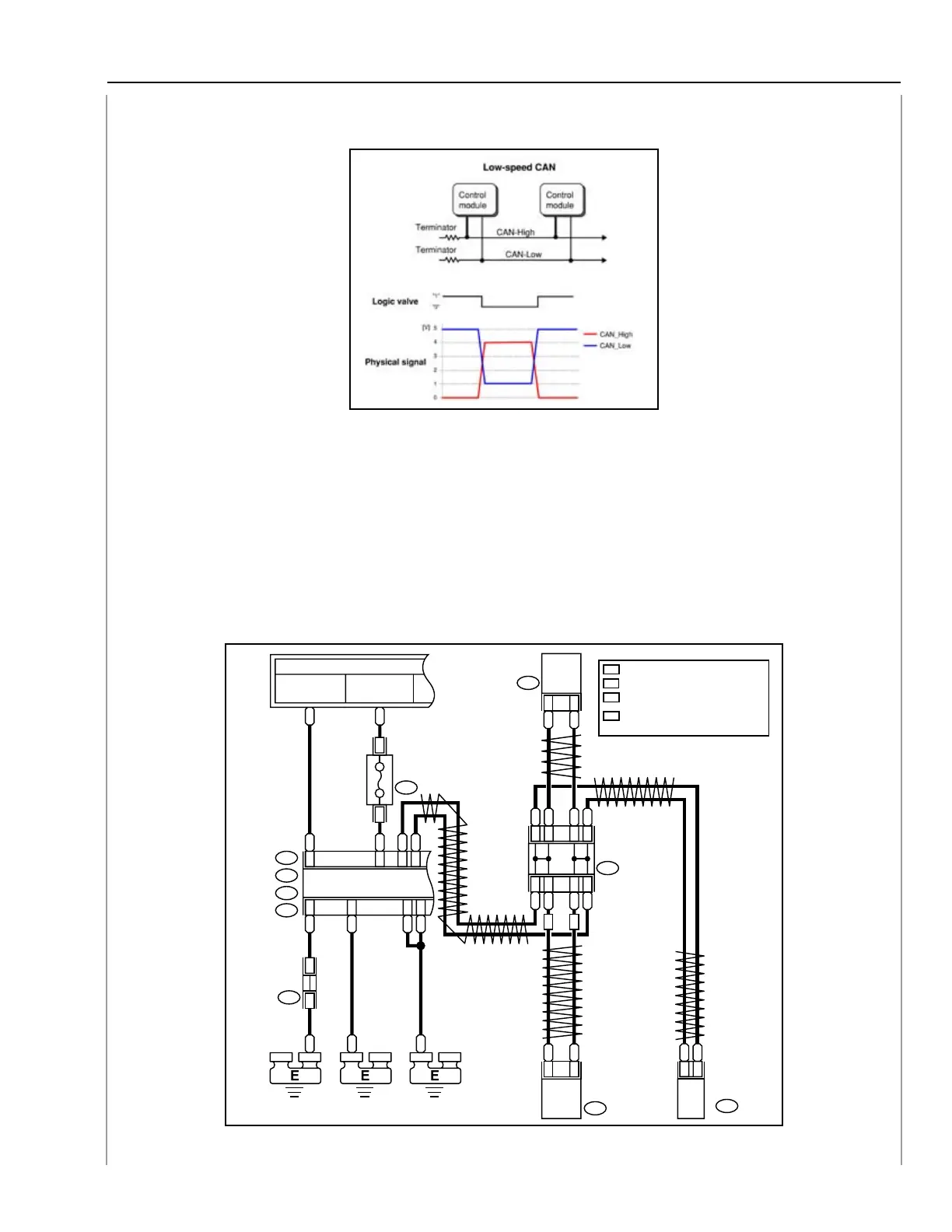
Low Speed CAN
Low Speed CAN (ARTWORK)
When the logic value of the Low Speed CAN is 1 the voltage of the CAN High signal is 0 volts
and the value of the CAN Low signal is 5 volts. As the logic changes to 0 the CAN High voltage
will change to 4 volts and the CAN Low signal will change to 1 volt.
The terminators of the Low Speed CAN only operate while the circuit is active. This prevents
checking of the total circuit resistance of the Low Speed CAN. If a trouble code of the Low Speed
CAN is present, check the voltage at the Low Speed CAN high and low wires for voltage or
oscilloscope patterns. Resistance checks can also be performed when no voltage is in the circuit.
i97
B225
10A
*
1
*
1
A9
B6
C2
A1
i84
A:
B280
B:
B281
C:
B279
D:
i77
B17
C20
*
2
*
2
*
3
*
3
A28
26
i10
27
19
i88
:A58i
20
A11
A12
D27
*
2
*
2
*
3
*
3
43
LgR
LgR
P
P
BY
P
LgR
AA
AAP
LgR
P
LgR
LgR
P
BY
P
BY
B
B
LR
WL
WL
LG
LgR
LgR
P
B
BY
AA
FUSE
(RELAY BLOCK)
A/C
CONTROL
PANEL
AUDIO
COMBINATION
METER
TO POWER SUPPLY CIRCUIT
MB-29
M/B FUSE NO. 8
(B)
FB-18
F/B FUSE NO. 7
(B)
CAN JOINT
CONNECTOR
BODY INTEGRATED UNIT
JOINT
GROUND
CONNECTOR
*
1
*
2
*
3
: TERMINAL No. OPTIONAL ARRANGEMENT
: TERMINAL No. OPTIONAL ARRANGEMENT
AMONG 6, 7, 8, 9 AND 10
: TERMINAL No. OPTIONAL ARRANGEMENT
AMONG 1, 2, 3, 4 AND 5
: AUTO A/C
Low-Speed CAN Wiring (2012 WRX-Sti)
25
26

Table of Contents

Related product manuals