EasyManua.ls Logo

Sukup Fastir - Satellite Wrap-Around Carriage

Default Icon
70 pages
Print Icon
To Next Page IconTo Next Page
To Next Page IconTo Next Page
To Previous Page IconTo Previous Page
To Previous Page IconTo Previous Page
Loading...
Fastir Parts Assembly Manual
60
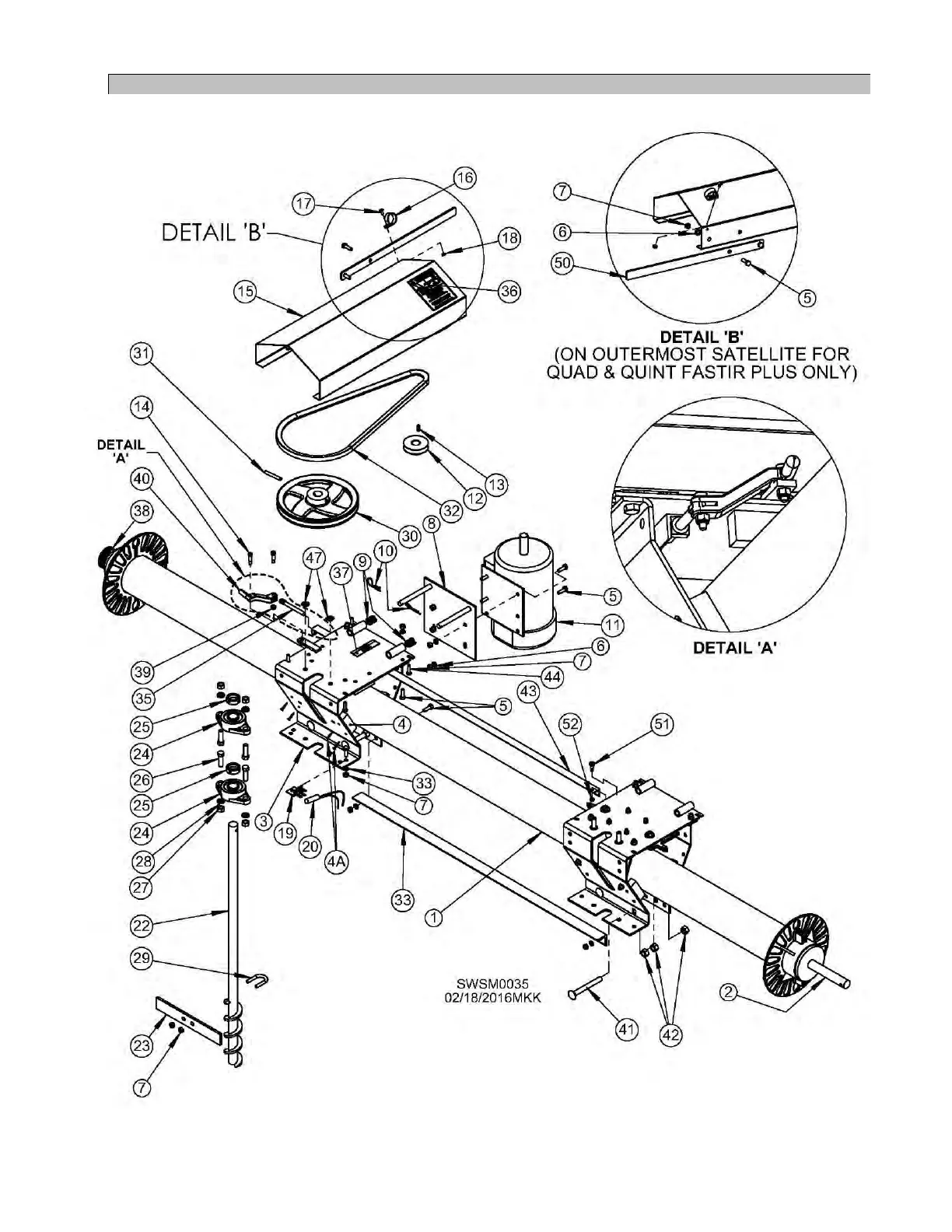
V. Satellite Wrap-Around Carriage
Figure 59 - Satellite Wrap-Around Carriage, Exploded View

Table of Contents

Related product manuals