EasyManua.ls Logo

Suntherm SEHX - Wiring Diagrams; Wire Diagram 3 Kw-10 Kw Electric HT- PSC Motor

Default Icon
38 pages
Print Icon
To Next Page IconTo Next Page
To Next Page IconTo Next Page
To Previous Page IconTo Previous Page
To Previous Page IconTo Previous Page
Loading...
MORTEXPRODUCTSINC.501TERMINALRDFORTWORTH,TEXAS76106 Page35
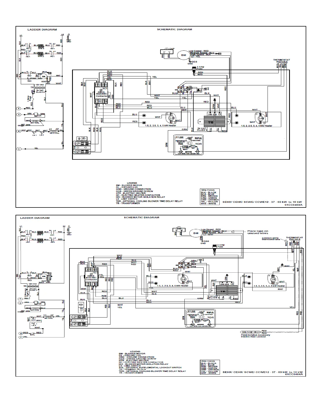
SECTION XII: WIRING DIAGRAMS
Figure 34 SEHX, CEHX, SCWE, CCWE 18 – 37 – 03kW to 10kW Electric Heat – PSC Blower Motor
Figure 35 SEHX, CEHX, SCWE, CCWE 18 – 37 – 03kW to 10kW Electric Heat – PSC Blower Motor w/ Field
Installed Electric Heat Lockout Switch

Table of Contents