EasyManua.ls Logo

Technosoft iPOS360 VX-CAN Series - Analog Inputs Connection; 0-5 V Input Range; 10 V to 0-5 V Input Range Adapter; Recommendation for Wiring

Default Icon
47 pages
Print Icon
To Next Page IconTo Next Page
To Next Page IconTo Next Page
To Previous Page IconTo Previous Page
To Previous Page IconTo Previous Page
Loading...
Technosoft 2019 26 iPOS360x VX-CAN/CAT Technical Reference
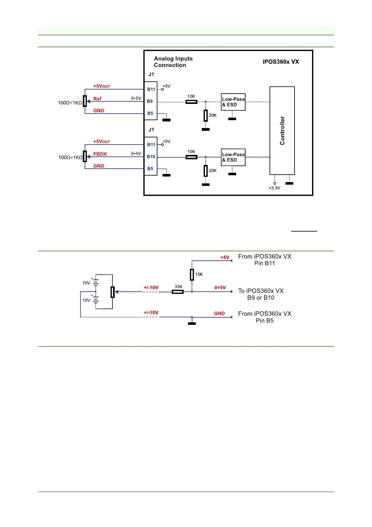
3.7.5 Analog Inputs Connection
3.7.5.1 0-5V Input Range
Figure 3.15. 0-5V Analog inputs connection
Remarks:
1. The length of the cables must be up to 30m, reducing the exposure to voltage surges in industrial environment.
2. Default input range for analog inputs is 0÷5 V for REF and FBDK. For a +/-10 V range, see Figure 3.17.
3.7.5.2 +/-10V to 0-5V Input Range Adapter
Figure 3.16. +/-10V to 0-5V adapter
3.7.5.3 Recommendation for wiring
a) If the analogue signal source is single-ended, use a 2-wire twisted shielded cable as follows: 1
st
wire connects
the live signal to the drive input; 2
nd
wire connects the source ground to the drive ground; shield will be
connected to the drive ground terminal.
b) If the analogue signal source is differential and the signal source ground is isolated from the drive GND, use a
2-wire twisted shielded cable as follows: 1
st
wire connects the source plus (positive, in-phase) to the drive
analogue input; 2
nd
wire connects the source minus (negative, out-of-phase) to the drive ground (GND). Shield
is connected only at the drive side, to the drive GND, and is left unconnected at the source side.
c) If the analogue signal source is differential and the signal source ground is common with the drive GND, use
a 2-wire shielded cable as follows: 1
st
wire connects the source plus (positive, in-phase) to the drive analogue
input; 2
nd
wire connects the source ground to the drive ground (GND); shield is connected only at the drive
side, to the drive GND, and is left unconnected at the source side. The source minus (negative, out-of-phase)
output remains unconnected.

Table of Contents

Related product manuals