EasyManua.ls Logo

TECO JSDG2S-100A3-E - Page 66

TECO JSDG2S-100A3-E
718 pages
Print Icon
To Next Page IconTo Next Page
To Next Page IconTo Next Page
To Previous Page IconTo Previous Page
To Previous Page IconTo Previous Page
Loading...
2-27
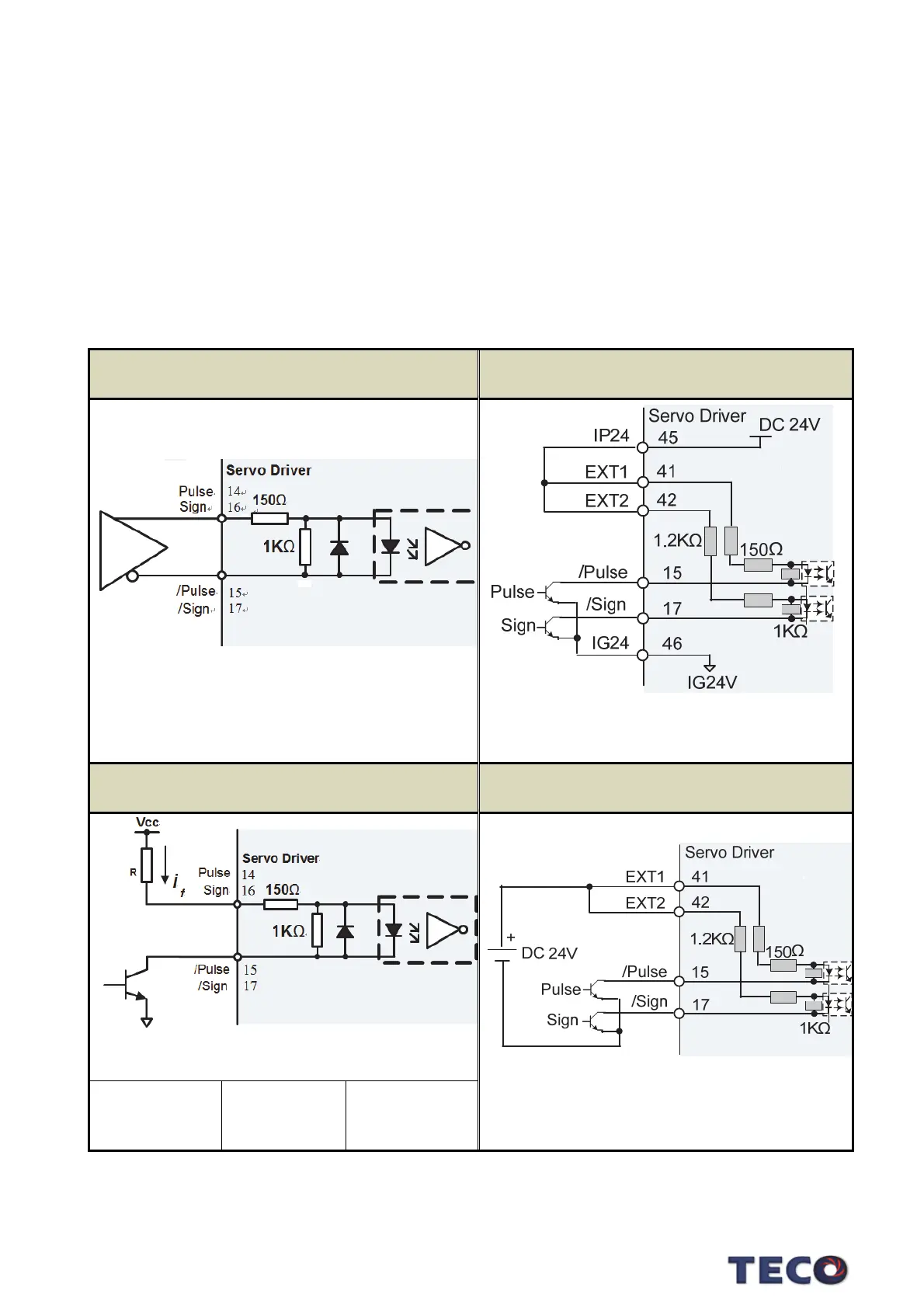
(c) Pulse Command Input Interface Circuit
(IO3)
:
We recommend using Line Driver input to accurately pulse ..... command; maximum input
command frequency is 4000kpps. The use of Open Collector Input Method will cause the input
command frequency to decrease and the maximum input command frequency is 200kpps. The Servo
Driver only provides 24V power and other power supplies need to be self-prepared. If the power
supply polarity is reversed it will cause damage to the driver. The maximum external power supply
(Vcc) is limited to 24V, and the input current is about 8~15mA, please refer to the following examples
to select the resistor
R
. Please refer to [5-4-1 External Pulse Command Mode] for Pulse Command
Input Time Sequence Waveform.
Differential Input Pulse Command
(Line Driver)
Open the Collector Input Pulse Command
(use Internal 24V)
The maximum input command frequency of
Differential Command is 4000kpps
The maximum input command frequency of
Open Collector Command is 200kpps
Open Collector Input Pulse Command
(use External Power Supply)
Open Collector Input Pulse Command
(use External Power Supply)
The maximum input command frequency of Open
Collector Command is 200kpps
1
1
The maximum input command frequency of
Open Collector Command is 200kpps
Vcc=24V
Select R=2K
Vcc=12V
Select
R=750
Vcc=5V
Select R=100

Table of Contents

Related product manuals