EasyManua.ls Logo

Tecsun S-2200x - Page 15

Tecsun S-2200x
40 pages
Print Icon
To Next Page IconTo Next Page
To Next Page IconTo Next Page
To Previous Page IconTo Previous Page
To Previous Page IconTo Previous Page
Loading...
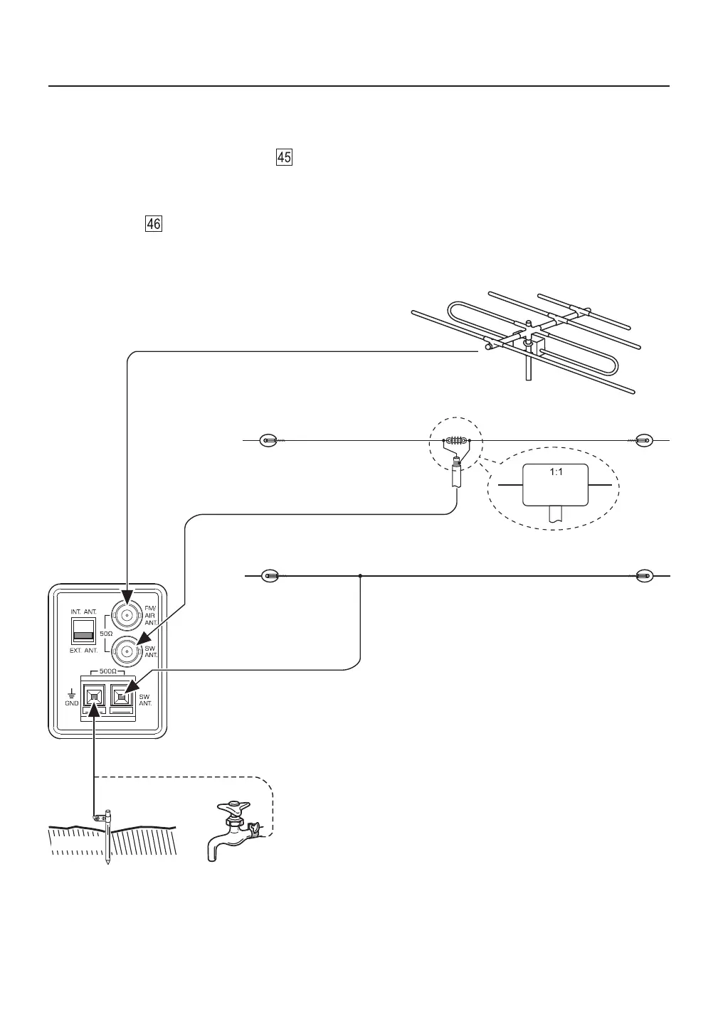
FM / Airband antenna
low-impedance SW antenna
or
Balun
high-impedance SW antenna
or
wet soil
ground stake (iron)
grounded
metal water pipe
11
3) High-impedance 500 black and red spring terminals for shortwave (SW) antennas. These sockets
can be used with (for example) a long wire antenna. Take around 10-35 meters (30-100 feet) of wire and
plug it into the red “SW ANT.” socket . Position the wire above ground and make sure that it runs in a
straight line as much as possible. The wire should not touch any other metal objects. If you do this indoors,
position the wire as close to windows as possible. Then, plug a 10-20 meter (30-60 feet) wire into the black
“GND” socket and let it run on the floor/ground. Alternatively, connect the black spring terminal
to a cold water pipe with as short a piece of wire as possible.
Ω

Table of Contents

Related product manuals