EasyManua.ls Logo

Terex TA9 - Page 125

Terex TA9
130 pages
Print Icon
To Next Page IconTo Next Page
To Next Page IconTo Next Page
To Previous Page IconTo Previous Page
To Previous Page IconTo Previous Page
Loading...
10-7 TA9 & TA10 Dumper 0803-4 July 2011
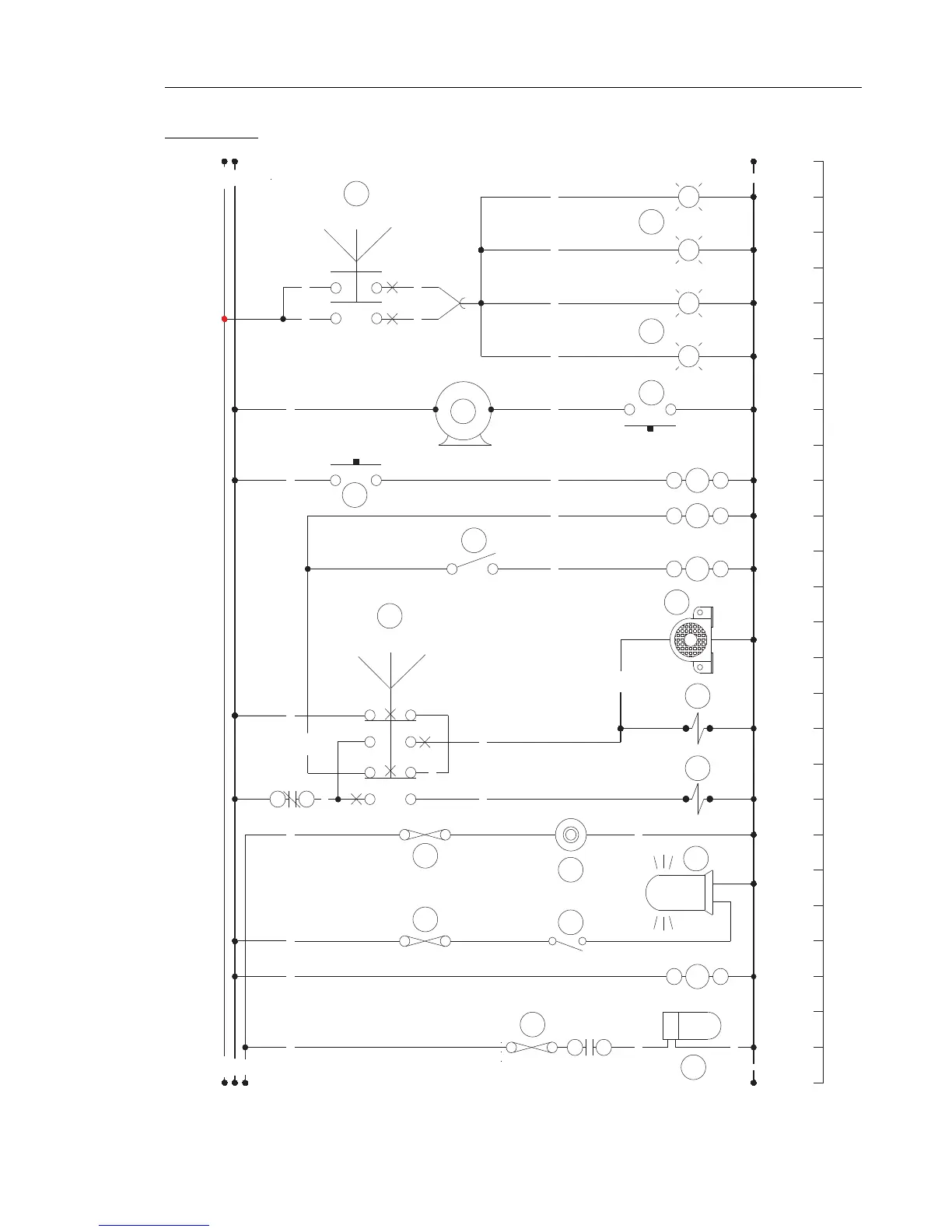
Specifications
Electric Circuit
B B
N32
W32
NU28
B32
B32
R
R
W
W
RU32
WP32
85
86
56
R7
60
R7
30
87
B32
4
4
3
3
2
2
1
1
PR32
W32
P32WO32
WB32
WP32
PG32PW32
85
86
42
R4
R3
88
30
87a
R3
70
86
85
NU28
W32
8005-0833B
58 60 62 64 66 68 70 72 74 76 78 80 82
84
86 88 90 92 94 96 98 100 102 104 10654 56
85
86
18
R2
PB32
W32
NU28 NU32
U32
U32U32
U32
U32 U32
PG32
N32 N32W32 W32 W32
AB
ABC
1
2
3
4
5
6
7
8
9
10
11
12
15
13
14
16
17
18

Table of Contents

Other manuals for Terex TA9

Related product manuals