EasyManua.ls Logo

Thermal Dynamics Drag-gun - Appendix I - Interconnecting Diagram

Thermal Dynamics Drag-gun
40 pages
Print Icon
To Next Page IconTo Next Page
To Next Page IconTo Next Page
To Previous Page IconTo Previous Page
To Previous Page IconTo Previous Page
Loading...
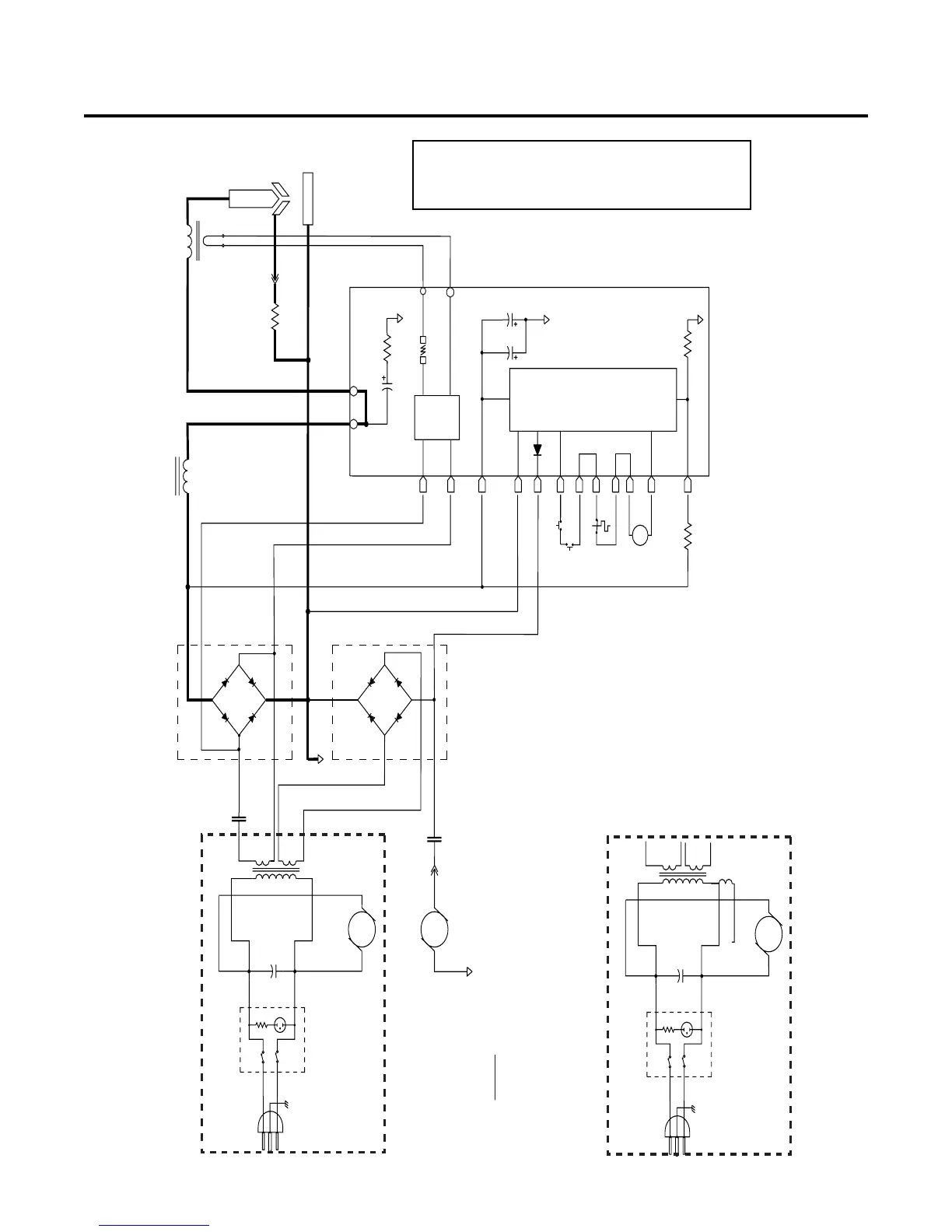
Manual 0-2683 31 APPENDIX
APPENDIX I - INTERCONNECTING DIAGRAM
A-02012
PIP Pin
+
-
+
-
J2
J2
J2
J2
J2
J2
J2
J2
J2
J2
J2
J2
K1
12v
TEMP
FAN
AIR
COMPRESSOR
12 VDC
SW1
K1-C
K1-B
C13
BR1
BRIDGE
35A 1200V
BR 2
BRIDGE
35A 1200V
T1
L1 CD XFMR
330µƒ
450v
330µƒ
450v
RED BLK
+
-
CD
PRIMARY
CD
PWR
CIRCUIT
E6 E5
E1
E2
SPK1
350V Spark Gap
LOGIC
CIRCUIT
0.5
55 watt
1K
55 watt
22
3 watt
WORK
T
O
R
C
H
PILOT
(RED Sleeved)
1
4
7
10
11
12
13
16
17
14
15
18
PIP Pin
TORCH
SWITCH
CD PCB
Shield
Cup
1
4
7
10
11
12
13
16
17
14
15
18
21
22
5
6
20 1920 19
11
29
8
(7) 7A
3
4
1
10
26
24
150µƒ
450v
50
5 watt
2L1
27
43
L41A (1)
23
C13
T1
21
22
5
6
8
(7) 7A
3
4
FAN
20 19
208
230
NOTES
Model: 220vac 120vac 100vac
C13 60µƒ 120µƒ 120µƒ
370vac 180vac 180vac
FAN 220vac 120vac 120vac
T1 PR1 Single voltage marked #6
Dual voltage marked 208v (tap) & 230v
NOTE: Use this diagram for all rev C units (or
earlier). Check the data tag on the unit for rev level.

Other manuals for Thermal Dynamics Drag-gun

Related product manuals