EasyManua.ls Logo

Toa D-901 - Page 66

Toa D-901
94 pages
Print Icon
To Next Page IconTo Next Page
To Next Page IconTo Next Page
To Previous Page IconTo Previous Page
To Previous Page IconTo Previous Page
Loading...
66
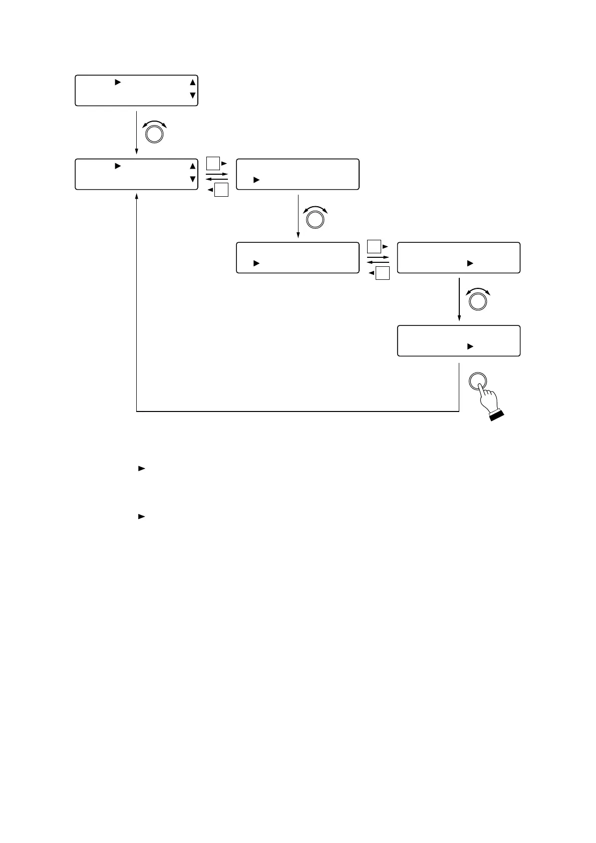
[Setting Procedures (Example. Assigning Preset Memory 3 recall to Contact Input 2)]
PARAMETER
PUSH-ENTER
CHANGE
1
3
2
[UTY] RM IN
1 : NON
E
[UTY] RM IN
2 : NON
E
[UTY] RM IN
2NONE
[UTY] RM IN
2 PRESET
1
[UTY] RM IN
2 : PRESET 1
5
4
[UTY] RM IN
2:PRESET
3
PARAMETER
PUSH-ENTER
CHANGE
PARAMETER
PUSH-ENTER
CHANGE
PARAMETER
PUSH-ENTER
CHANGE
Step 1. Rotate the Setting knob to select the input contact number.
Step 2. Press the shift key.
Step 3. Rotate the Setting knob to select the function to be assigned to the contact input.
Step 4. Press the shift key.
Step 5. Rotate the Setting knob to select the setting contents for each function.
Tip
Pressing the Setting knob executes the Configuration save and allows the display to revert to the
Input contact number selection screen.

Table of Contents

Other manuals for Toa D-901

Related product manuals