EasyManua.ls Logo

Toa D-901 - Function Assignment to the Output Contact

Toa D-901
94 pages
Print Icon
To Next Page IconTo Next Page
To Next Page IconTo Next Page
To Previous Page IconTo Previous Page
To Previous Page IconTo Previous Page
Loading...
67
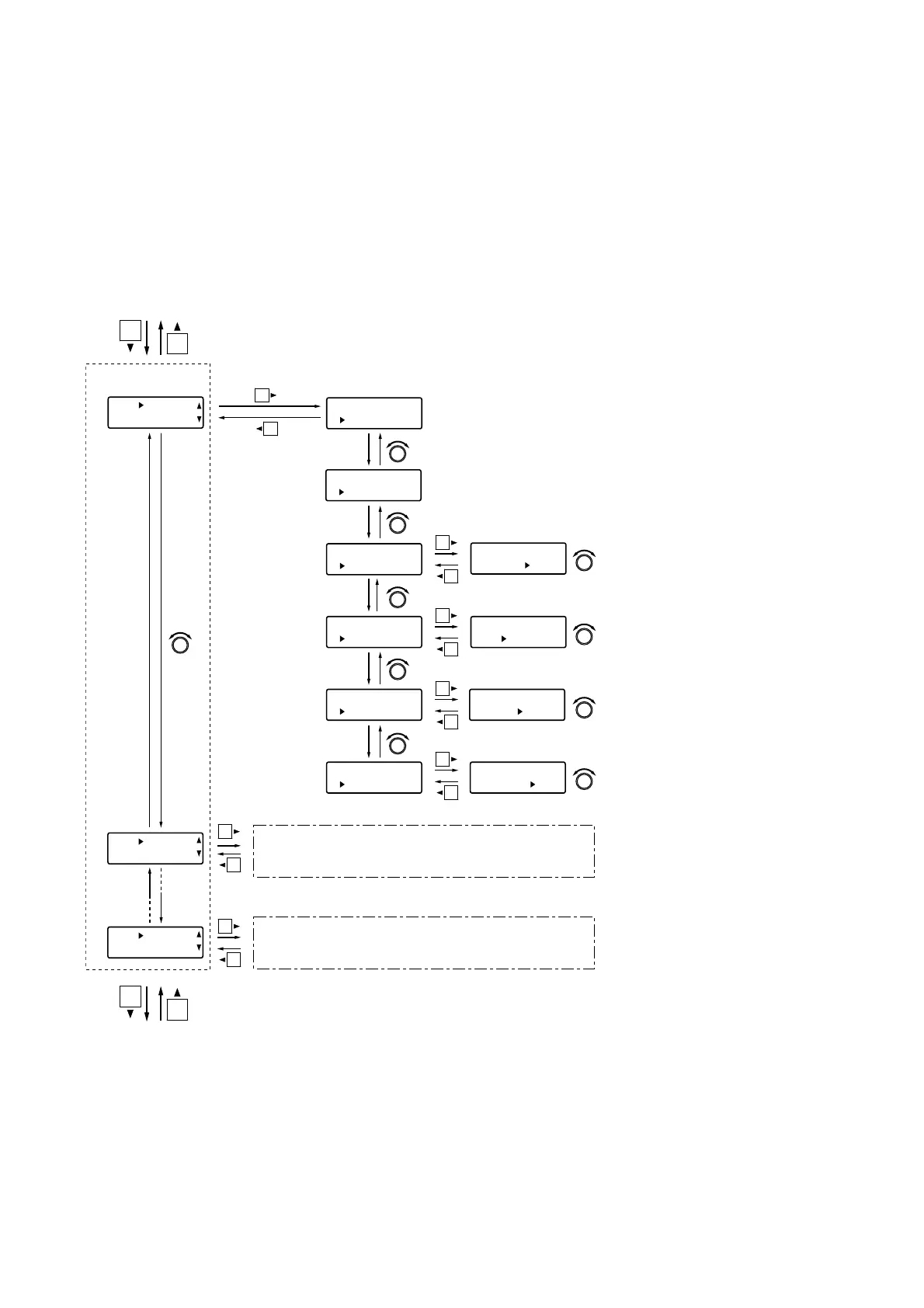
12.5.2. Function assignment to the output contact
The following functions can be assigned to output contacts (1 8 when the D-981 or D984-VC is used, and 1
16 when the D-983 is used).
Preset memory recall tally, Channel ON/OFF tally, Contact input status tally,
and Line (stereo) input selection tally
The procedures for assigning functions are the same as those used when assigning functions to the input
contacts.
[Screen display operations]
Contact input
status tally
Preset memory
recall tally
Channel ON/OFF tally
Channel number
Preset memory number
Normally break
Normally make
Contact input number
[UTY] RM IN
2:NON
E
[UTY] RM IN
8:NON
E
Line (stereo) input
selection tally
Setting items are the same as above.
Setting items are the same as above.
[UTY] RM OUT
1:BREA
K
[UTY] RM OUT
1BREA
K
[UTY] RM OUT
1MAK
E
[UTY] RM OUT
1 PRESET
1
[UTY] RM OUT
1CH IN
1
[UTY] RM OUT
1RMIN
1
[UTY] RM OUT
1LineSel S2
1
[UTY] RM OUT
1 : PRESET
1
[UTY] RM OUT
1:CH IN
1
[UTY] RM OUT
1:RM IN
1
[UTY] RM OUT
1:LineSel S2
1
Output contact
number selection
Input contact number selection (p. 65)
Protect settings (next page)
PARAMETER
PUSH-ENTER
CHANGE
PARAMETER
PUSH-ENTER
CHANGE
PARAMETER
PUSH-ENTER
CHANGE
PARAMETER
PUSH-ENTER
CHANGE
PARAMETER
PUSH-ENTER
CHANGE
PARAMETER
PUSH-ENTER
CHANGE
PARAMETER
PUSH-ENTER
CHANGE
PARAMETER
PUSH-ENTER
CHANGE
PARAMETER
PUSH-ENTER
CHANGE
PARAMETER
PUSH-ENTER
CHANGE
Slot number/line (stereo)
input number
Set to [Normally break]*.
Set to [Normally make]*.
Select the preset memory
number.
Select the channel number.
Select the contact input number.
Select the slot number and line
(stereo) input number for the D-
936R or the D-937SP (only when
the D-936R or the D-937SP is
used).
(Example. S2-1: First line
(stereo) input for the stereo
module inserted into Slot 2)
* Normally break: Turning on the power sets the contact output to "break."
Normally make: Turning on the power sets the contact output to "make."
Note: All contact outputs are at break while the power is off.

Table of Contents

Other manuals for Toa D-901

Related product manuals