EasyManua.ls Logo

Toa RM-200SF - Page 77

Toa RM-200SF
114 pages
Print Icon
To Next Page IconTo Next Page
To Next Page IconTo Next Page
To Previous Page IconTo Previous Page
To Previous Page IconTo Previous Page
Loading...
3-50
Chapter 3
INSTALLATION AND SETTING PROCEDURES (HARDWARE)
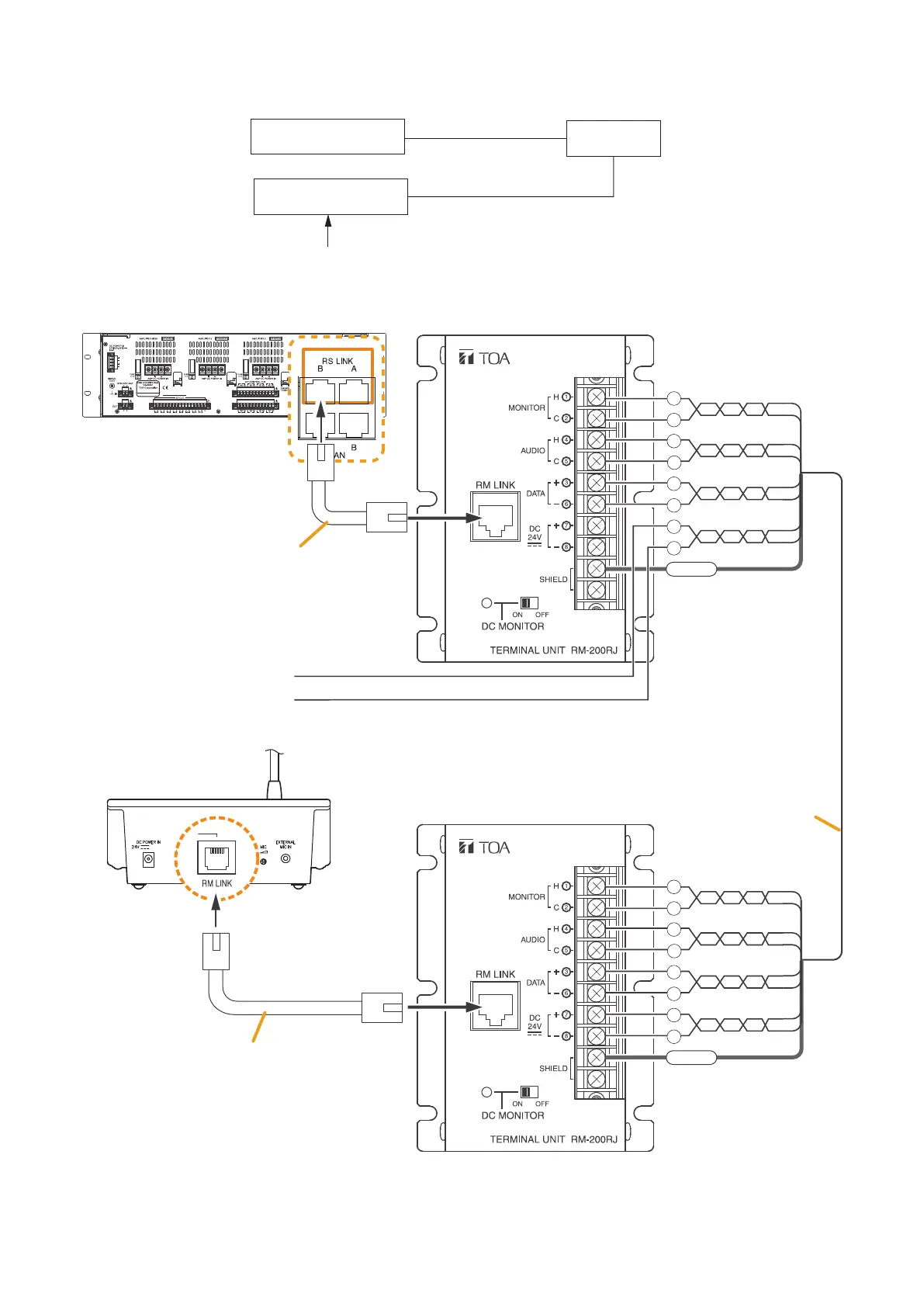
[When power is supplied from the VX-3000DS]
RM-300X rear
1
2
5
6
3
4
7
8
Shield
1
2
5
6
3
4
7
8
Shield
VX-3000DS’s
DC Power out terminal
(+)
(
-
)
VX-3000F
Over 4-pair shielded
CPEV cable (main cable)
STP Category 5 straight cable
(with RJ45 connectors)
RM-200RJ
RM-200RJ
STP Category 5 straight cable
(with RJ45 connectors)
VX-3000F
RM-300X
VX-3000DS
AC power
or
Battery
When a STP Category 5 straight cable is used as communication cable (excluding power line) between the
RM-300X and the VX-3000F, the maximum cable distance in a system is 1200 m in total.

Table of Contents

Related product manuals