EasyManua.ls Logo

Toradex Colibri - Page 53

Default Icon
66 pages
Print Icon
To Next Page IconTo Next Page
To Next Page IconTo Next Page
To Previous Page IconTo Previous Page
To Previous Page IconTo Previous Page
Loading...
Colibri Carrier Board Design Guide
Toradex AG l Altsagenstrasse 5 l 6048 Horw l Switzerland l +41 41 500 48 00 l www.toradex.com l info@toradex.com
Page | 53
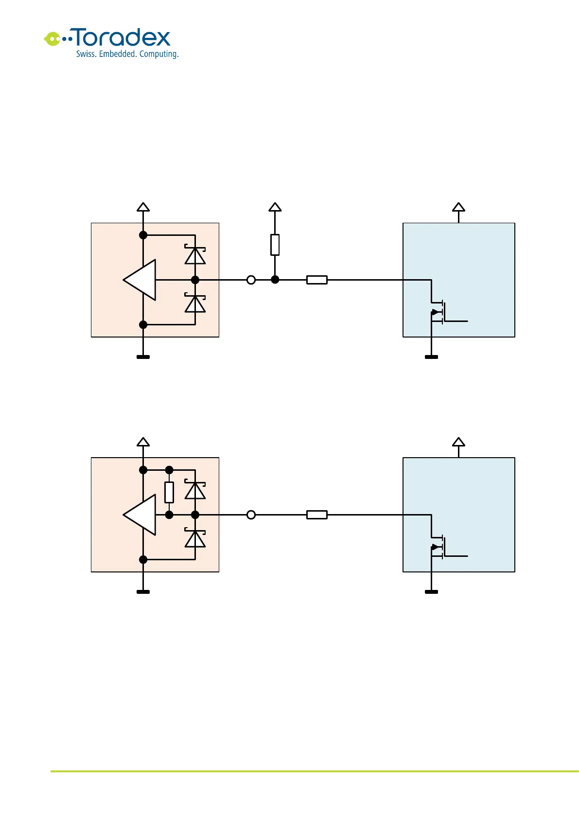
3.7.5.5 Open Drain Signals
When using open-drain signals, it is crucial to use the correct voltage domain for the pull-up
resistor. In Figure 34, the peripheral rail is used, and therefore backfeeding occurs. By using the
same voltage domain for the pull-up resistor as the input side, backfeeding is eliminated. When
using a computer module, using the IO rail might not be feasible. In this case, it might be
necessary to use a power rail that switches off together with the on-module IO rail. One option for
switching such a rail is using a free module GPIO. Make sure the GPIO is low by adding a pull-
down resistor on the carrier board.
Figure 44: Correct pull-up rail for open-drain signals
Most SoC pins feature configurable internal pull-up resistors. If the pull-up value is strong enough,
a good solution is to use these resistors instead of external ones. The internal pull-up resistors are
perse on the correct IO rail and therefore are not backfeeding.
Figure 45: Using internal pull-up resistor
Open-Drain
Peripheral
SoC
IO Rail (off)
RX
Module Pin
22R
0V
0V0V
Low
1k
Peripheral Rail (on)
3.3V0V
3.3V_SW (off)
Open-Drain
Peripheral
SoC
IO Rail (off)
RX
Module Pin
22R
0V
0V0V
Low
Peripheral Rail (on)

Table of Contents

Related product manuals