EasyManua.ls Logo

Toro 74549 - Premaintenance Procedures; Raising Mower for Access

Toro 74549
68 pages
Print Icon
To Next Page IconTo Next Page
To Next Page IconTo Next Page
To Previous Page IconTo Previous Page
To Previous Page IconTo Previous Page
Loading...
CAUTION
Ifyouleavethekeyintheignitionswitch,someonecouldaccidentlystarttheengineandseriouslyinjure
youorotherbystanders.
Removethekeyfromtheignitionanddisconnectthesparkplugwiresfromthesparkplugsbeforeyoudo
anymaintenance.Setthewiresasidesothattheydonotaccidentallycontactthesparkplugs.
Premaintenance
Procedures
RaisingtheMowerforAccess
Thefrontofthemowercanberaisedandsupportedonits
backforaccessunderthemachineformaintenance.
1.Raisetheplatform.RefertoOperatingthePlatformin
Operation.
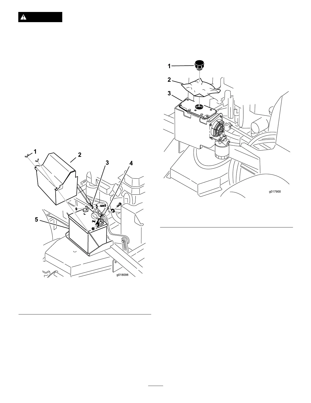
2.Removethebattery.
g018098
Figure34
1.Wingnut4.Positivebatterycable
2.Batterycover5.Battery
3.Negativebatterycable
3.Drainthefuelfromthefueltank.RefertoDraining
theFuelTankinMaintenance.
4.Removethecapofthehydraulictankandplaceapiece
ofplasticovertheopeningandinstallthehydrauliccap.
Thiswillsealthehydraulictankandpreventitfrom
leakingout.
g017900
Figure35
1.Cap
3.Hydraulictank
2.Pieceofplastic
5.Withtwopeople,raisethefrontofthemowersoitrests
onthedrivetiresandtheplatformintheupposition.
6.Performanymaintenanceonthemachine.
7.Withtwopeople,lowerthefrontofthemowertothe
ground.
8.Removetheplasticunderthehydraulictankcap.
9.Installthebatteryforthemachine.
28

Table of Contents

Related product manuals