EasyManua.ls Logo

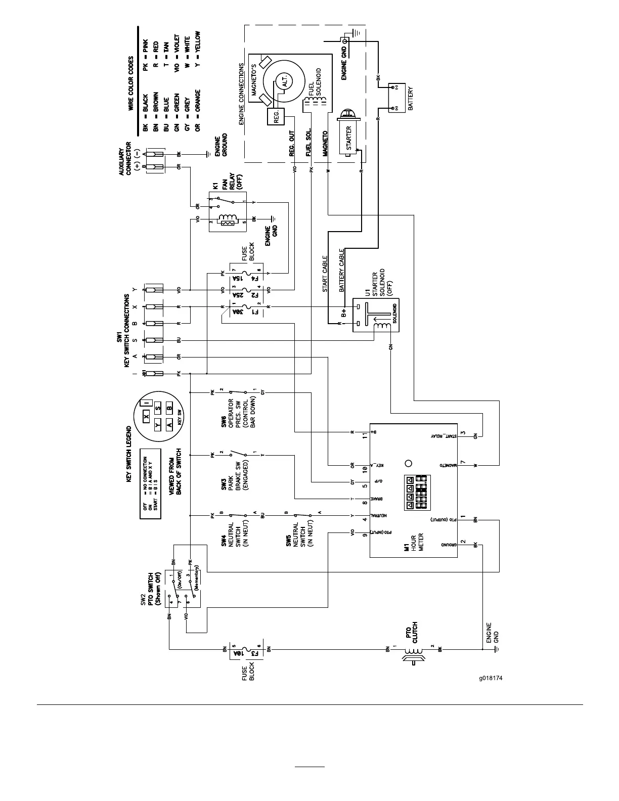
Toro 74549 - Electrical Schematic - 52;60 Inch Models

Toro 74549
68 pages
Print Icon
To Next Page IconTo Next Page
To Next Page IconTo Next Page
To Previous Page IconTo Previous Page
To Previous Page IconTo Previous Page
Loading...
g018174
ElectricalSchematicfor52and60inchMowerModels(Rev.A)
65

Table of Contents

Related product manuals