EasyManua.ls Logo

Trane BCHC - Page 66

Trane BCHC
72 pages
Print Icon
To Next Page IconTo Next Page
To Next Page IconTo Next Page
To Previous Page IconTo Previous Page
To Previous Page IconTo Previous Page
Loading...
66 BCXC-SVX01A-EN
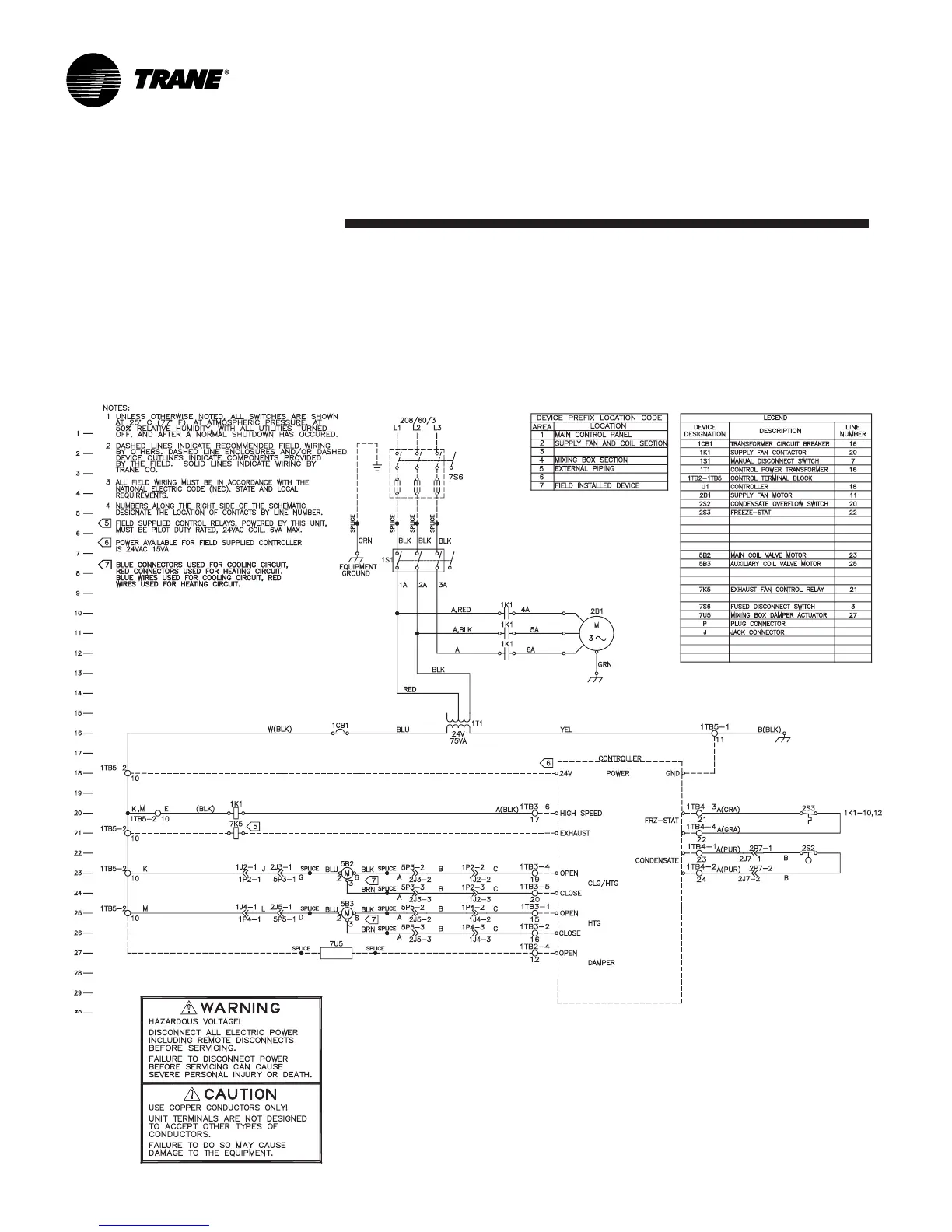
Typical Wiring
DiagramMaintenance
Four-Pipe BCXB with Control interface
• 208 volt/3 phase
• 3-wire floating point valves
• 2-position damper
• low limit protection
• condensate overflow

Table of Contents

Other manuals for Trane BCHC

Related product manuals