EasyManua.ls Logo

Trane BCHC - Page 67

Trane BCHC
72 pages
Print Icon
To Next Page IconTo Next Page
To Next Page IconTo Next Page
To Previous Page IconTo Previous Page
To Previous Page IconTo Previous Page
Loading...
BCXC-SVX01A-EN 67
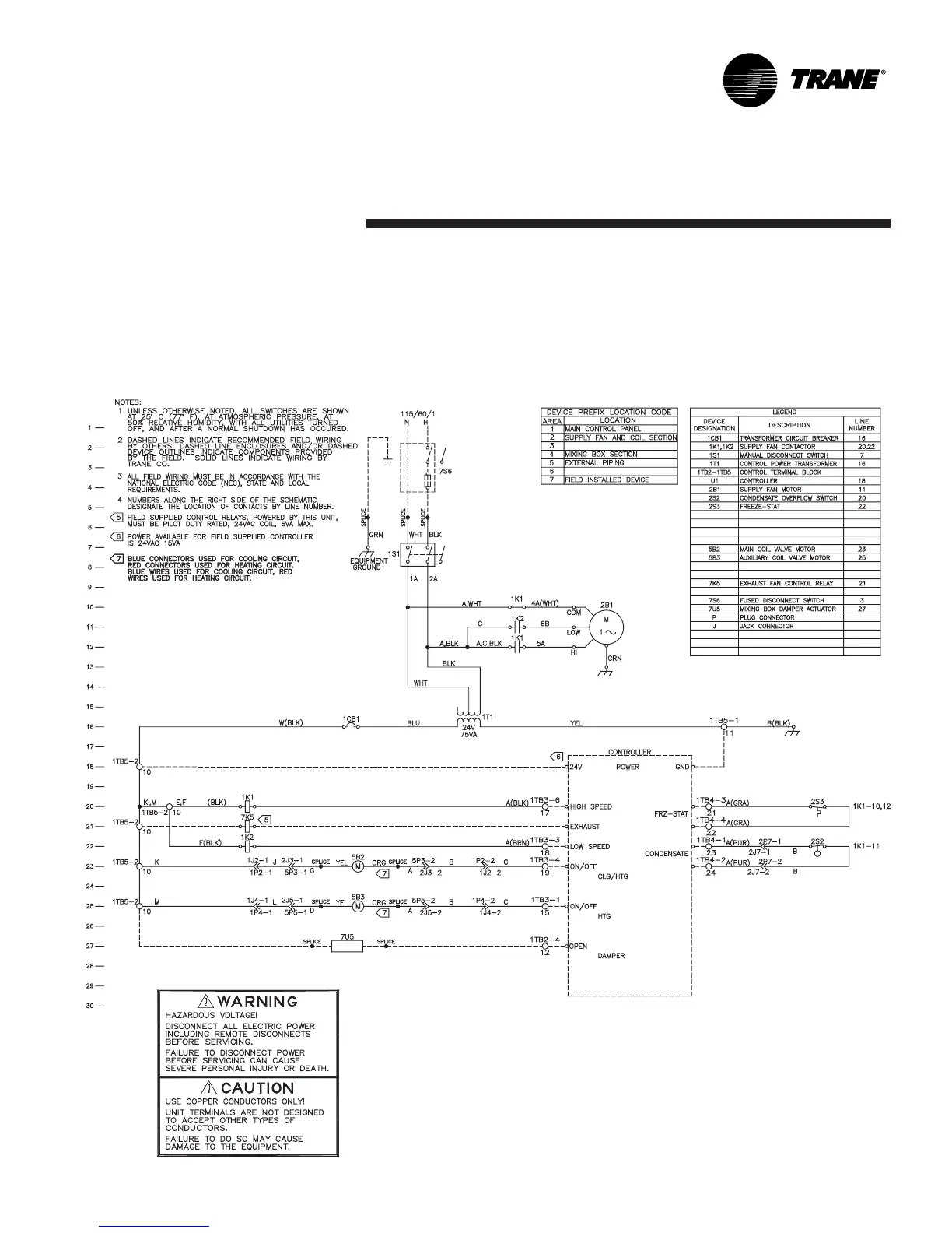
Typical Wiring
DiagramMaintenance
Four-Pipe BCXB with Control interface
• 115 volt/1 phase
• 2-position damper
• 2-speed motor
• condensate overflow
• low limit protection

Table of Contents

Other manuals for Trane BCHC

Related product manuals