EasyManua.ls Logo

Trane CGAM - Page 190

Trane CGAM
276 pages
Print Icon
To Next Page IconTo Next Page
To Next Page IconTo Next Page
To Previous Page IconTo Previous Page
To Previous Page IconTo Previous Page
Loading...
190 CG-SVX17D-EN
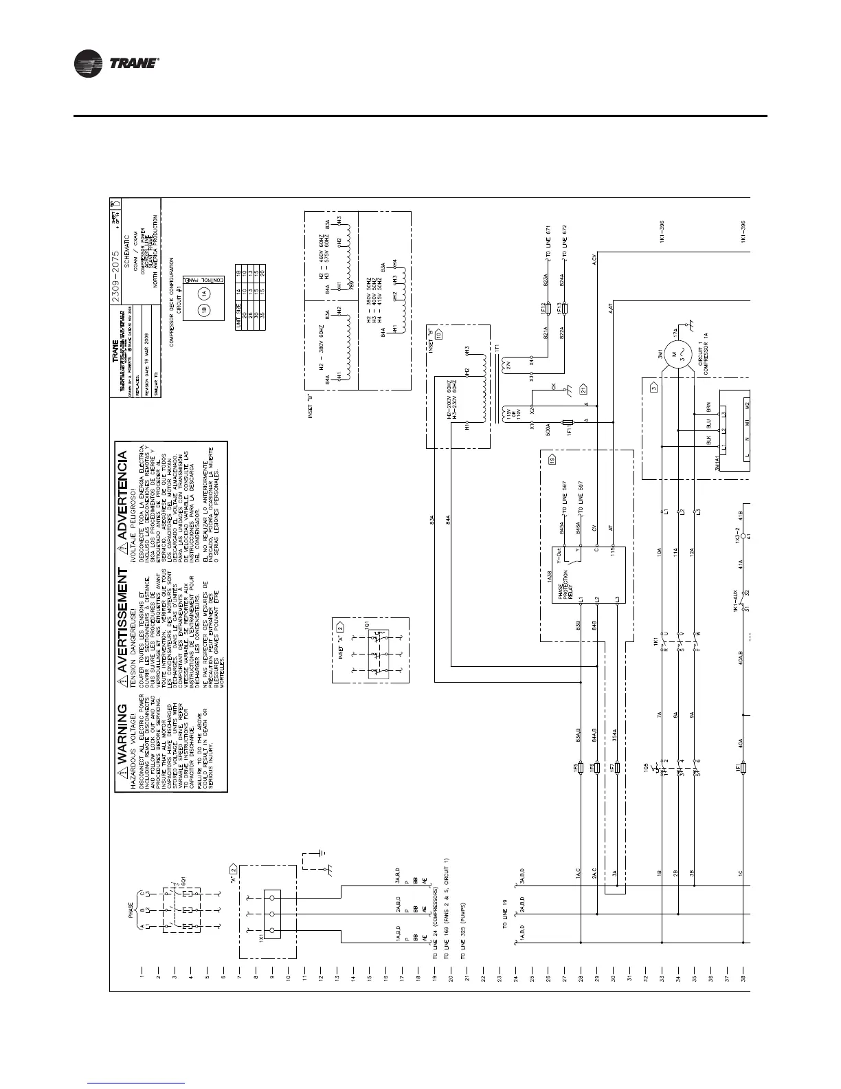
Unit Wiring
S2075-4
20-35 Ton - “Slant Frame” - Compressor Power Circuit 1

Table of Contents

Related product manuals