EasyManua.ls Logo

Trane CGAM - Page 191

Trane CGAM
276 pages
Print Icon
To Next Page IconTo Next Page
To Next Page IconTo Next Page
To Previous Page IconTo Previous Page
To Previous Page IconTo Previous Page
Loading...
CG-SVX17D-EN 191
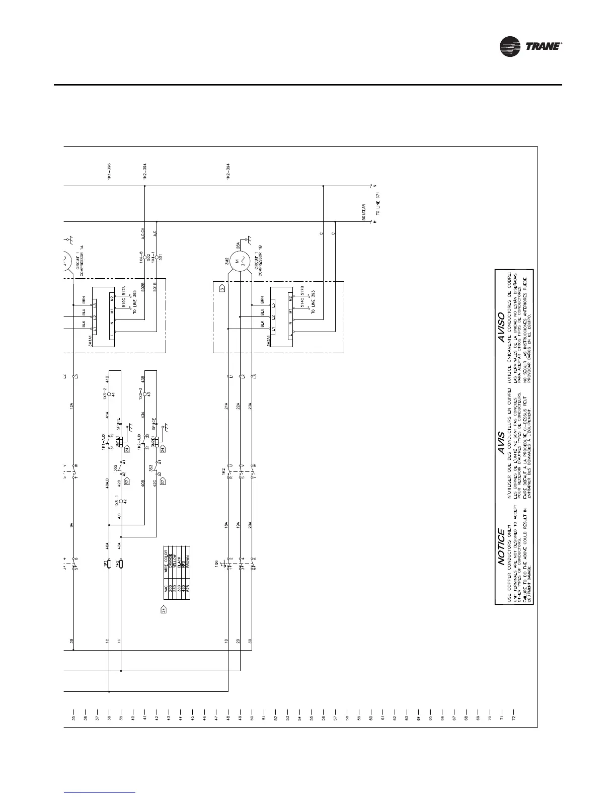
Unit Wiring
20-35 Ton - “Slant Frame” - Compressor Power Circuit 1

Table of Contents

Related product manuals