EasyManua.ls Logo

Trane CGAM - Page 212

Trane CGAM
276 pages
Print Icon
To Next Page IconTo Next Page
To Next Page IconTo Next Page
To Previous Page IconTo Previous Page
To Previous Page IconTo Previous Page
Loading...
212 CG-SVX17D-EN
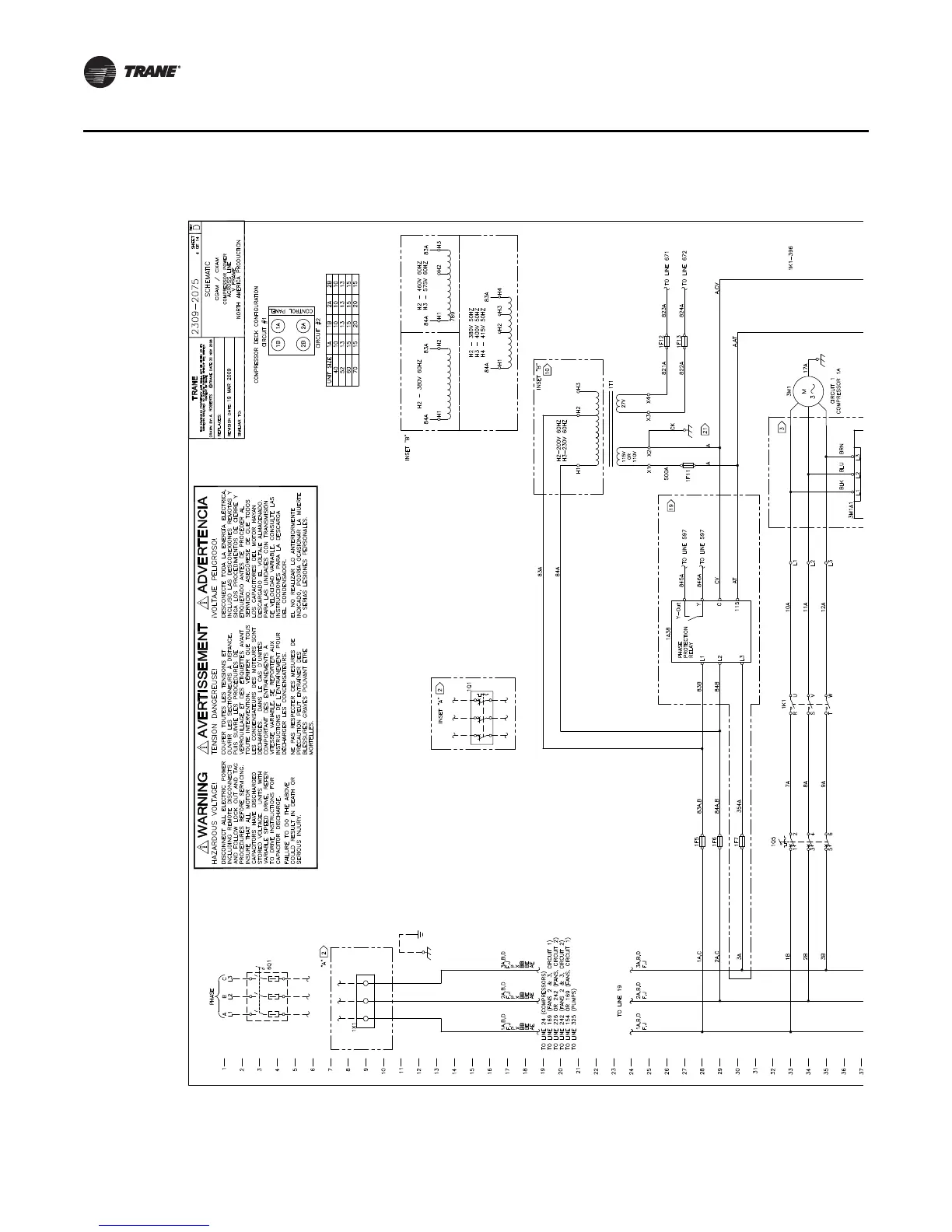
Unit Wiring
V2075-4
40-70 Ton - “V Frame” - Compressor Power Circuit 1

Table of Contents

Related product manuals