EasyManua.ls Logo

Trane CGAM - Page 213

Trane CGAM
276 pages
Print Icon
To Next Page IconTo Next Page
To Next Page IconTo Next Page
To Previous Page IconTo Previous Page
To Previous Page IconTo Previous Page
Loading...
CG-SVX17D-EN 213
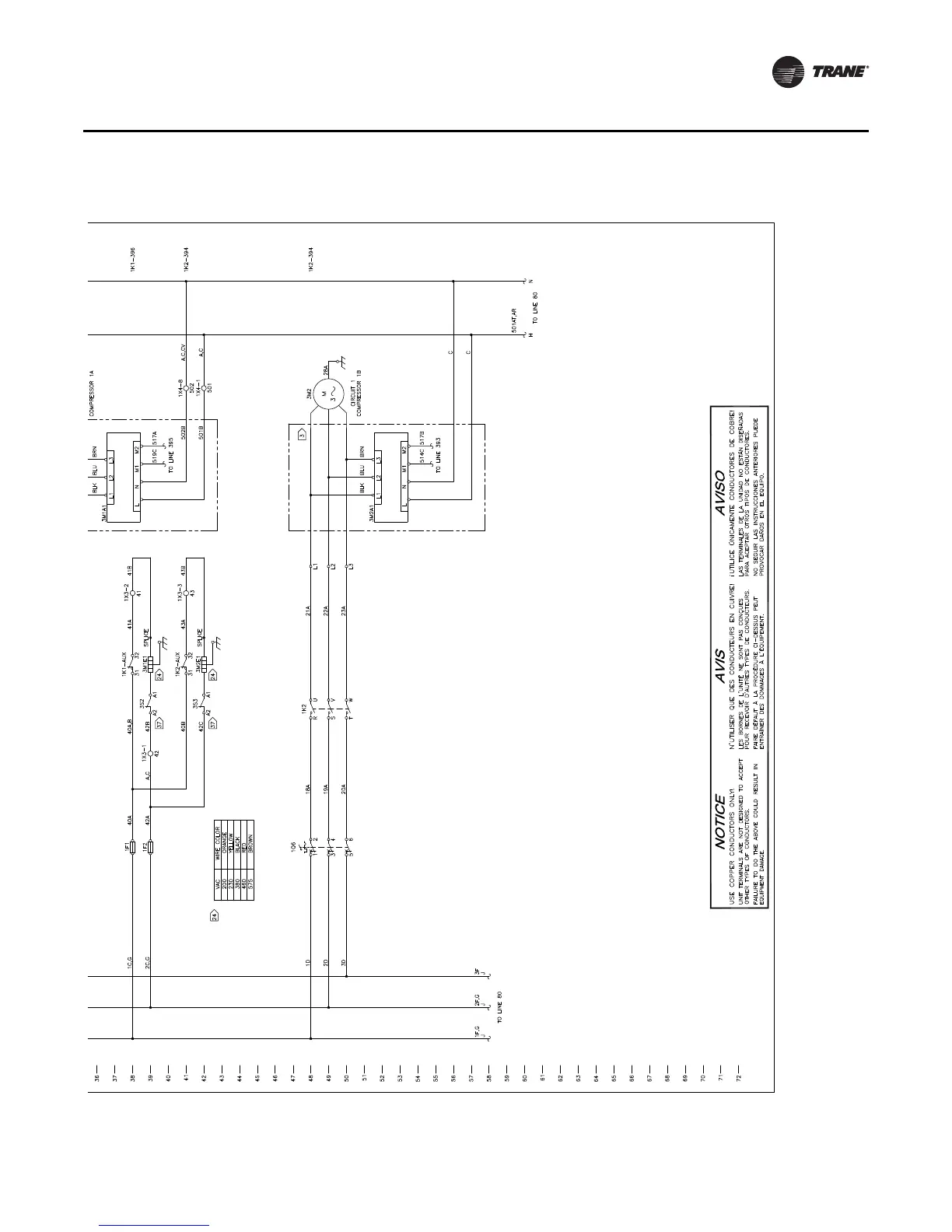
Unit Wiring
40-70 Ton - “V Frame” - Compressor Power Circuit 1

Table of Contents

Related product manuals