EasyManua.ls Logo

Triumph SPEED TRIPLE 955cc - Exploded View, Gear Pedal Etc.

Triumph SPEED TRIPLE 955cc
375 pages
Print Icon
To Next Page IconTo Next Page
To Next Page IconTo Next Page
To Previous Page IconTo Previous Page
To Previous Page IconTo Previous Page
Loading...
7.5
TRANSMISSION 7
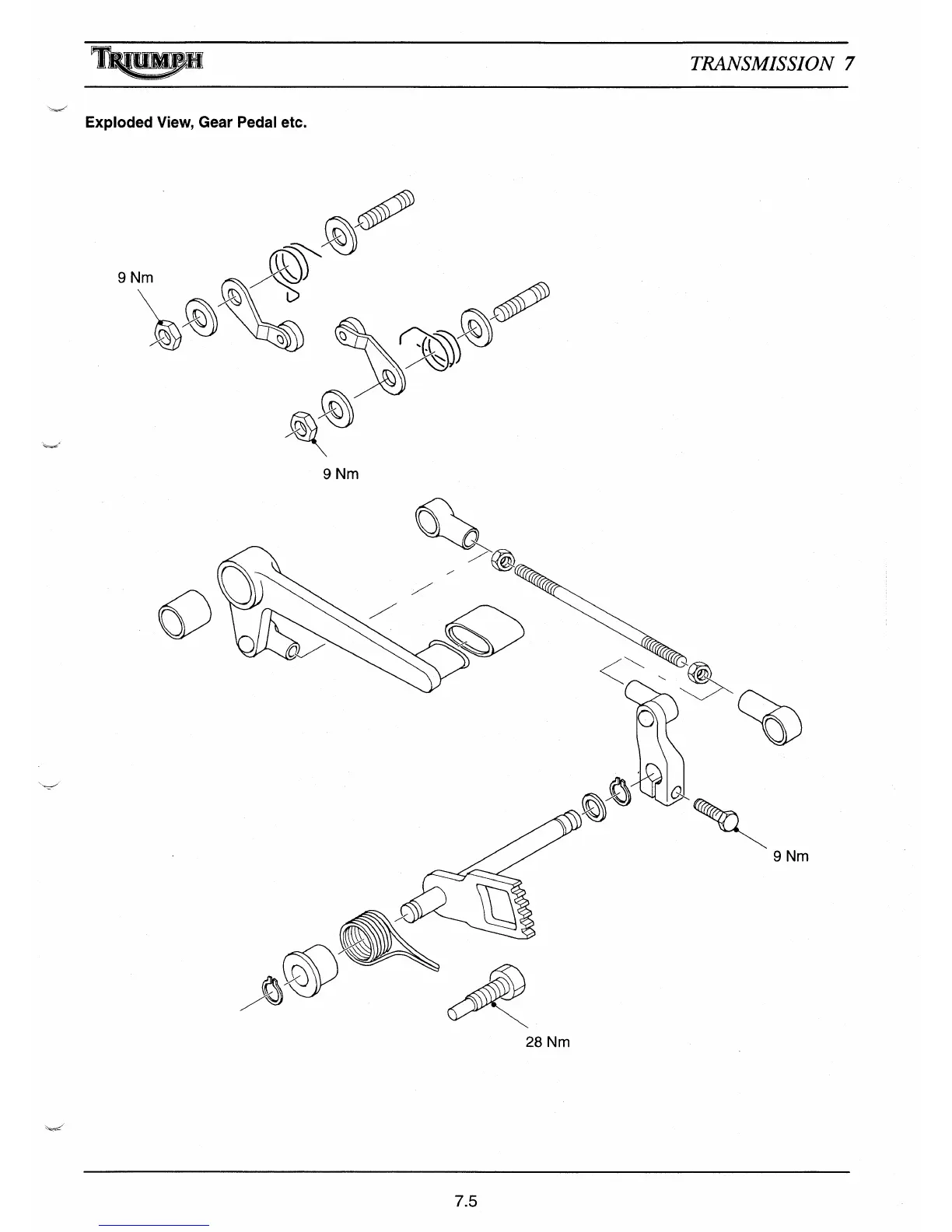
Exploded View, Gear Pedal etc.
'\JJ
^
9Nm
9Nm
9Nm
28 Nm

Table of Contents