EasyManua.ls Logo

Triumph SPEED TRIPLE 955cc - Exploded View - Crankcase

Triumph SPEED TRIPLE 955cc
375 pages
Print Icon
To Next Page IconTo Next Page
To Next Page IconTo Next Page
To Previous Page IconTo Previous Page
To Previous Page IconTo Previous Page
Loading...
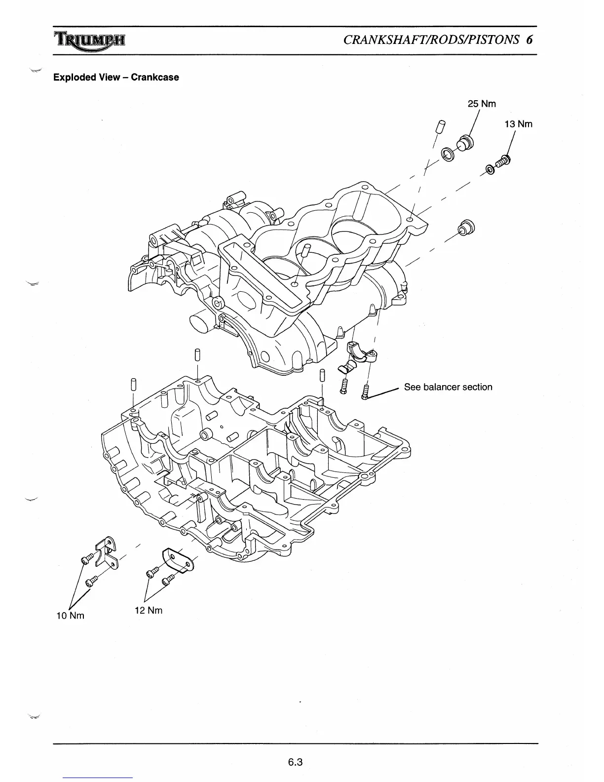
Exploded View — Crankcase
25 Nm
13 Nm
dancer section
O^
12 Nm
10 Nm
T^ 111
CRANKSHAFT/RODS/PISTONS 6
6.3

Table of Contents