EasyManua.ls Logo

Triumph SPEED TRIPLE 955cc - Exploded View - Balancer Shaft

Triumph SPEED TRIPLE 955cc
375 pages
Print Icon
To Next Page IconTo Next Page
To Next Page IconTo Next Page
To Previous Page IconTo Previous Page
To Previous Page IconTo Previous Page
Loading...
5.2
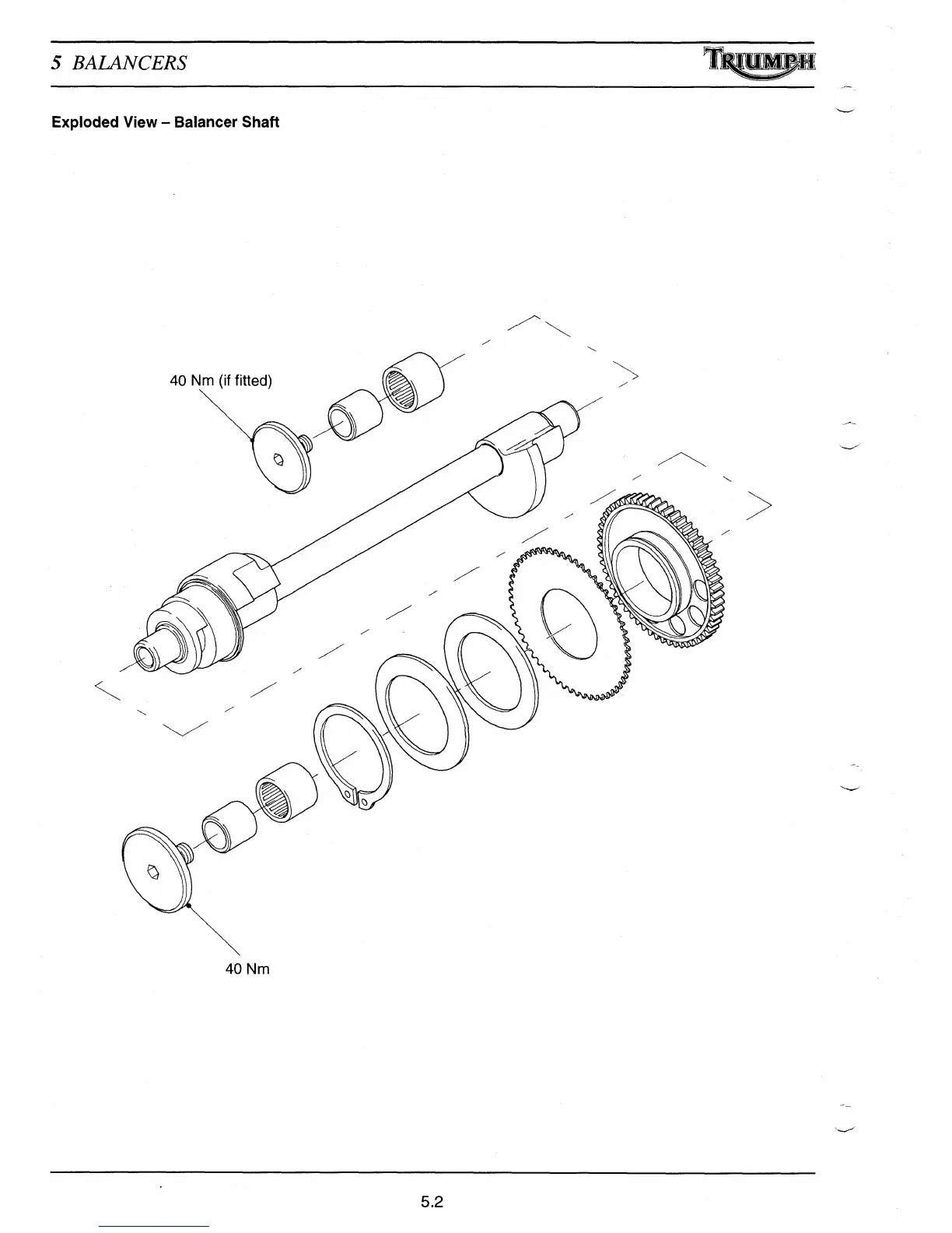
5 BALANCERS
Exploded View — Balancer Shaft
40 Nm (if fitted)
J--
40 Nm

Table of Contents