EasyManua.ls Logo

Trophy 1802 - 2002 Electrical System

Trophy 1802
112 pages
Print Icon
To Next Page IconTo Next Page
To Next Page IconTo Next Page
To Previous Page IconTo Previous Page
To Previous Page IconTo Previous Page
Loading...
94
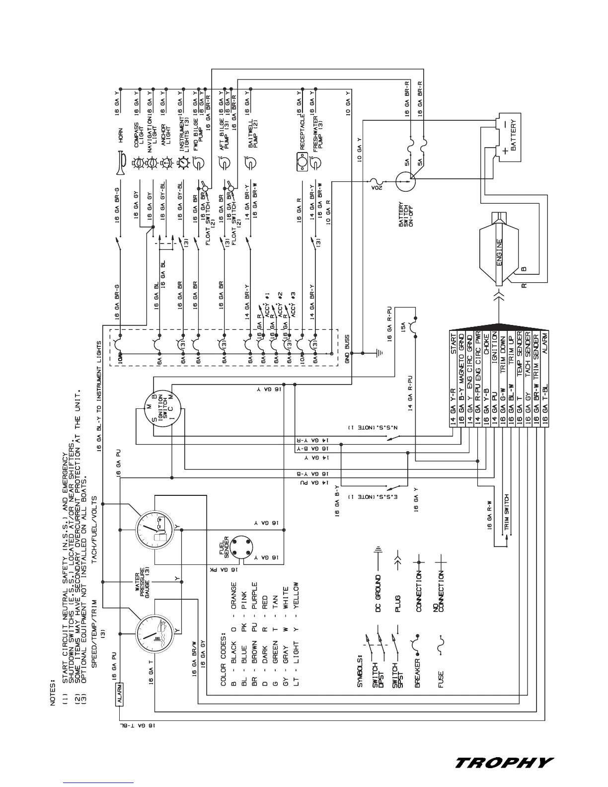
Chapter 12: Electrical System Walkaround Models Owners Manual Supplement
2002 Electrical System

Table of Contents

Related product manuals