EasyManua.ls Logo

VAMP 220 - Page 52

Default Icon
68 pages
Print Icon
To Next Page IconTo Next Page
To Next Page IconTo Next Page
To Previous Page IconTo Previous Page
To Previous Page IconTo Previous Page
Loading...
VAMP 220 / 220R Arc protection system
User manual
VAMP Ltd
52
Vamp 24h support phone : +358 (0)40 573 6316
VM220.EN004
TRIP
TRIP
ARC / OC Active signal
I>
L>
L>
I>
TR1
SW5
from Slave
3 x
t
80ms
100ms
150ms
Lb>
Ia>
&
Ib>
LL
L
Temp Alarm
La>
Lc>
L
TRIP
I>
LOC
L>LOC
TRIP 2
TRIP 3
TempAl/TRIP4
TRIP 1
SW1
SW2
SW3
>1
T1
T2
T3
T3
T2
T1
>1
SW7
SW8
1
1
TR loc
0ms
>1
SW6
int.sw.
SW4
L
TRIP
TR1
TR2
TR3
TR4
TR1 -> TR2
TR1 -> TR3
Temp / TR4
All / TR4
Latch
off on
1
2
3
4
5
6
7
8
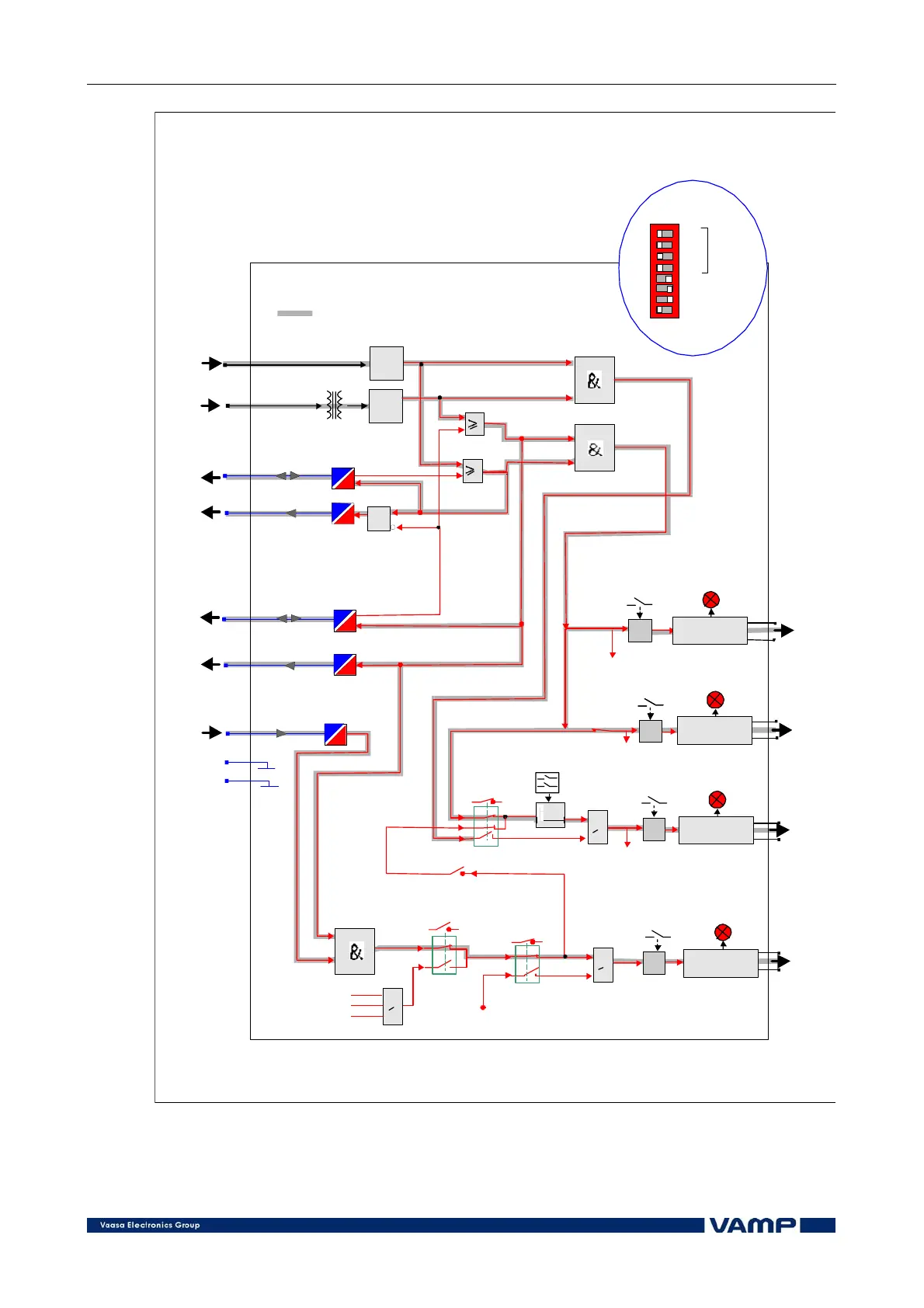
Figure 6.6-5 Relay setting example.

Table of Contents

Related product manuals