EasyManua.ls Logo

VarioCooking Center 211 - Page 91

Default Icon
208 pages
Print Icon
To Next Page IconTo Next Page
To Next Page IconTo Next Page
To Previous Page IconTo Previous Page
To Previous Page IconTo Previous Page
Loading...
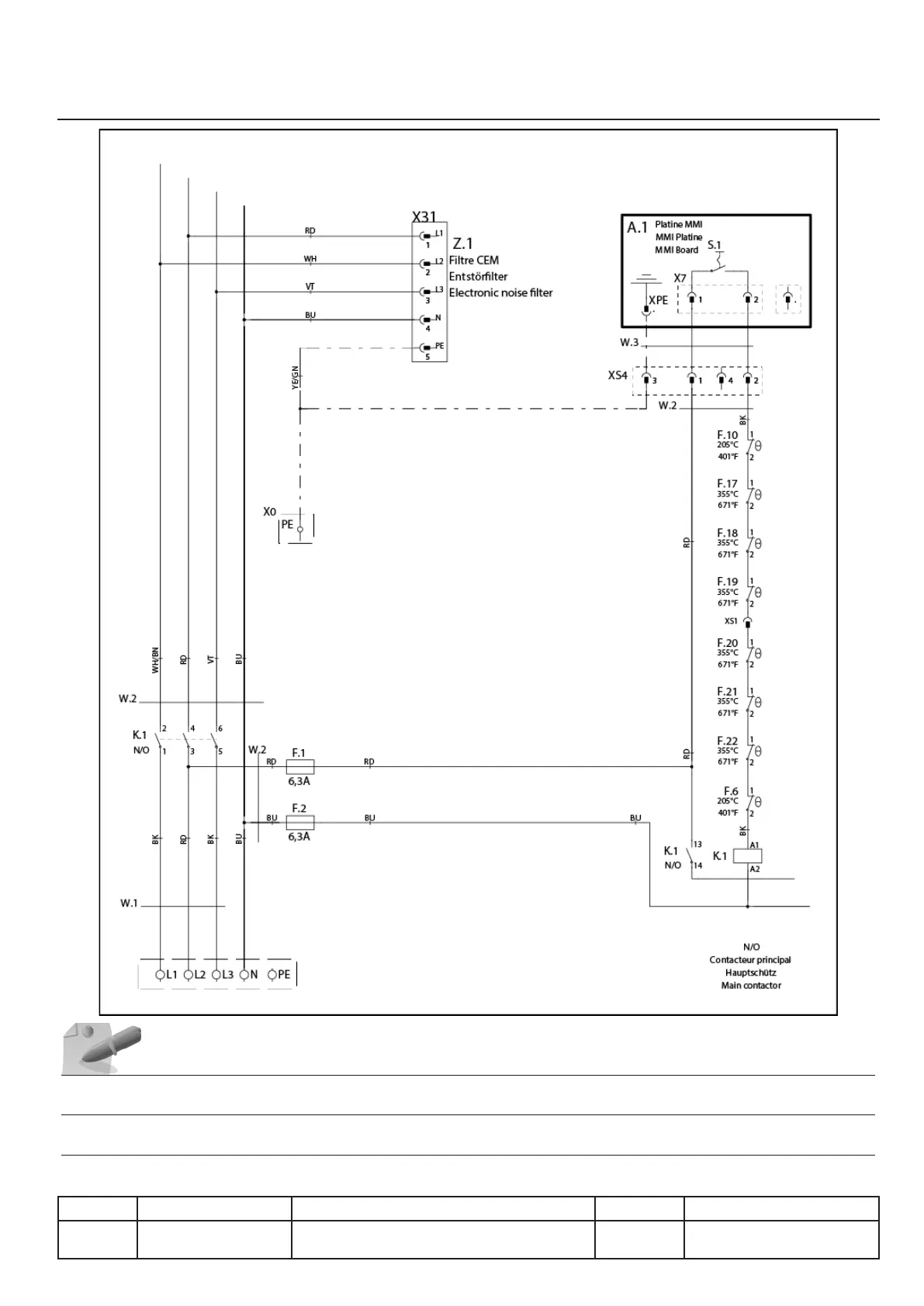
Safety chain
Unit 112T from 2013/12
VII.09
v03 • July-2016 • Hen
Power supply module
Line Units Serial number (starting from) Sw Revision
VCCM
VCCWE
112T E12VI1312xxxxxxx

Table of Contents

Related product manuals