EasyManua.ls Logo

VarioCooking Center 211 - Page 92

Default Icon
208 pages
Print Icon
To Next Page IconTo Next Page
To Next Page IconTo Next Page
To Previous Page IconTo Previous Page
To Previous Page IconTo Previous Page
Loading...
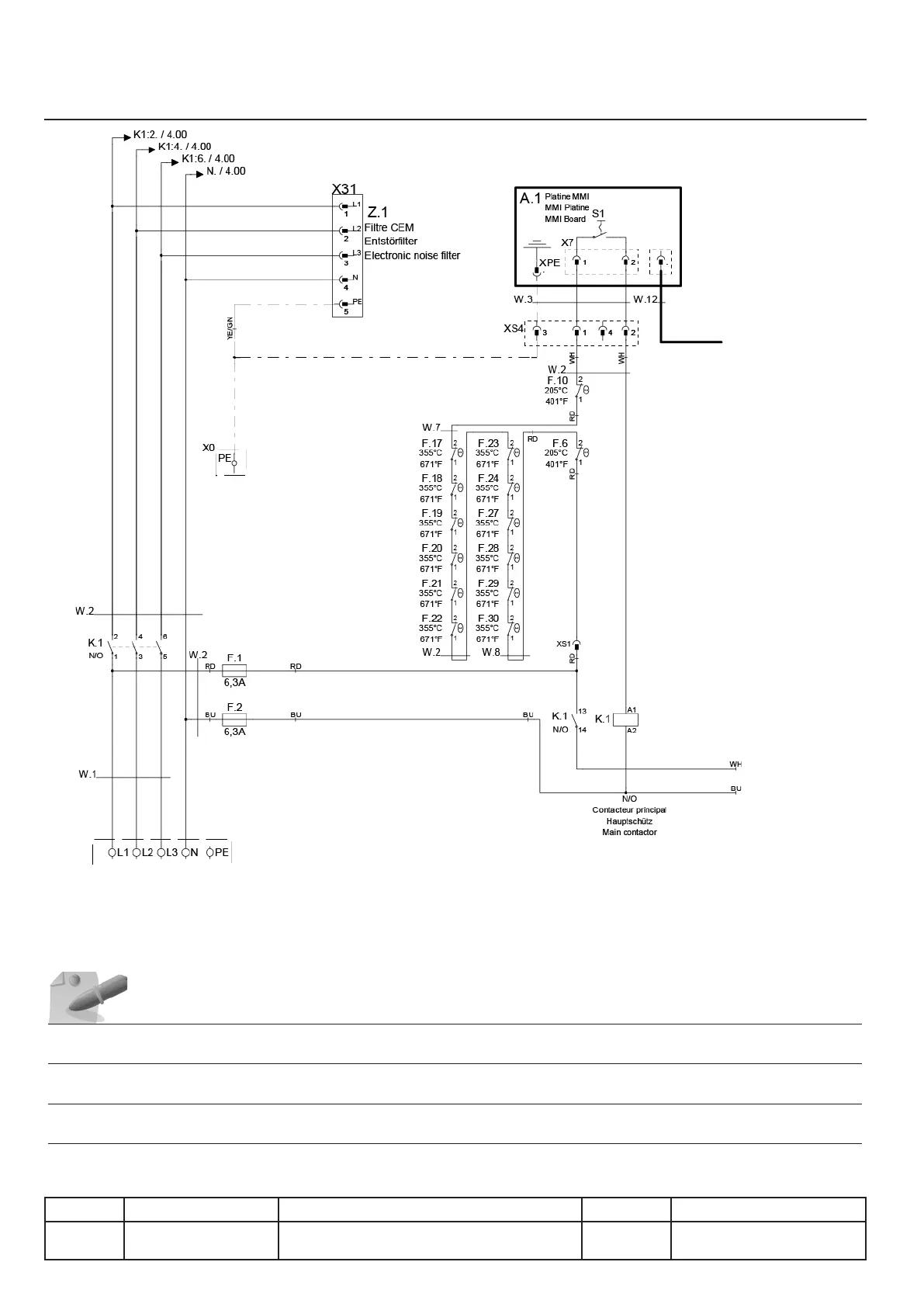
Safety chain
Unit 112L from 2015/09
VII.10
v03 • July-2016 • Hen
Power supply module
Ligne Appareils Numéro de série (A partir de) Sw Révision
VCCM
VCCWE
112L E13VJ1509xxxxxxx

Table of Contents

Related product manuals