EasyManua.ls Logo

Vertiv CoolPhase CDU - Page 131

Vertiv CoolPhase CDU
157 pages
Print Icon
To Next Page IconTo Next Page
To Next Page IconTo Next Page
To Previous Page IconTo Previous Page
To Previous Page IconTo Previous Page
Loading...
REV : B
REV : 08/2024
20000059
Page :2/2
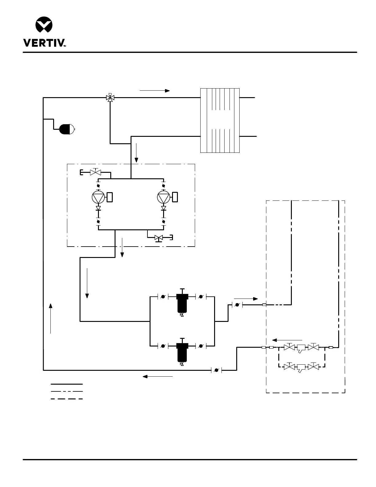
PIPING SCHEMATIC
XDM300
COOLPHASE CDU
DPN001040_REV6
FIELD PIPING
FACTORY WATER PIPING
VFD
VFD
Heat
Exchanger
Secondary
Side Circuit
Filter
Expansion
Tank
Filters
Fill point
Pump P2
OPTIONAL PIPING
Notes:
1. Field to install strainer in field secondary (XDM ) return line to Cooling Modules . Vertiv recommends a bypass piping arrangement to allow for cleaning the strainer
without disrupting unit operation. Also pressure taps across the strainer to check pressure drop. Four full port ball valves , pressure taps and and piping are
supplied by the field. The maximum distance of this assembly is 10 feet from the XDM300 Unit.
3-way
Control
Valve
Pump P1
Interconnection
Piping
Valve and Strainer
Line Bypass
Supply
Return

Table of Contents

Related product manuals