EasyManua.ls Logo

Vertiv Liebert Mini-Mate2 - Page 79

Vertiv Liebert Mini-Mate2
92 pages
Print Icon
To Next Page IconTo Next Page
To Next Page IconTo Next Page
To Previous Page IconTo Previous Page
To Previous Page IconTo Previous Page
Loading...
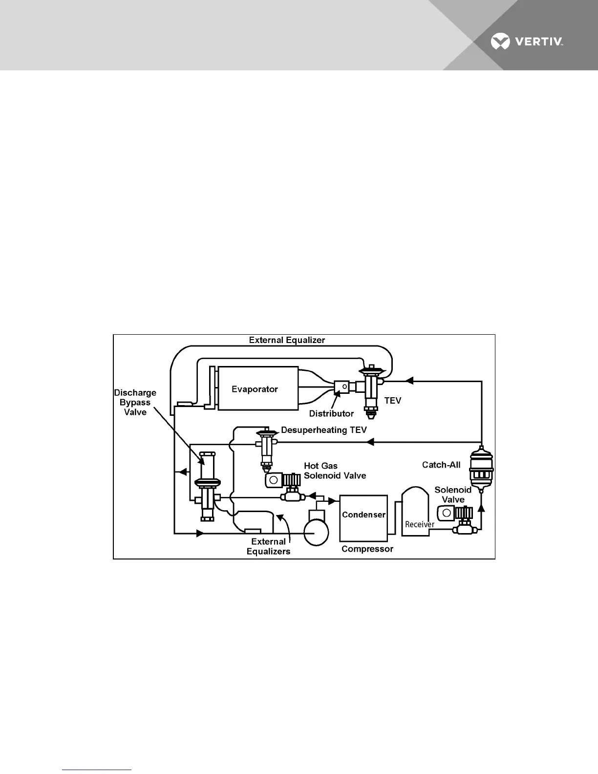
Adjustment
1. Install the suction and discharge pressure gauge.
2. Adjust temperature setpoint to call for cooling so that the refrigeration compressor will run
continuously.
3. Remove the TOP adjusting nut from the valve.
4. Insert an Allen wrench in the brass hole at top of valve in adjusting port and turn CLOCKWISE
if a higher evaporator temperature is required. Adjust no more than 1/4 turn at a time. Let the
system stabilize for 15 minutes before determining if additional adjustment is necessary.
5. After obtaining the suction pressure required, reinstall cap tightly making sure there are no
leaks.
6. Let the evaporator operate for approximately 10 to 15 minutes to make sure the suction
pressure is within the range desired.
7. There may be a fluctuation of approximately 3 to 6 PSIG (21 to 41 kPa) on the evaporator due to
the differential on the hot gas bypass.
8. Return temperature setpoint to the desired setting.
Figure 11.1 Hot gas bypass
Vertiv | Liebert Mini-Mate25 ton User Manual| 79

Table of Contents

Related product manuals