EasyManua.ls Logo

Vertiv Liebert SmartAisle2 - Page 120

Vertiv Liebert SmartAisle2
141 pages
Print Icon
To Next Page IconTo Next Page
To Next Page IconTo Next Page
To Previous Page IconTo Previous Page
To Previous Page IconTo Previous Page
Loading...
Vertiv | SmartAisle2 | User Manual 111
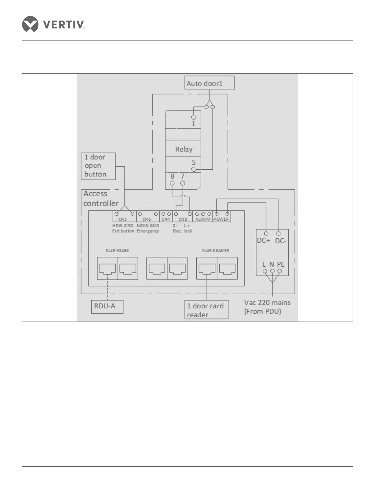
Installation
Electric door
Figure 2-127 Electric Gate connection

Table of Contents