EasyManua.ls Logo

Vetus EC4 - Electrical Installation of Systems with 2 Engines, 2 Actuators and 2 Ignition Keys

Vetus EC4
84 pages
Print Icon
To Next Page IconTo Next Page
To Next Page IconTo Next Page
To Previous Page IconTo Previous Page
To Previous Page IconTo Previous Page
Loading...
42 030624.13
vetus® Electronic engine remote control
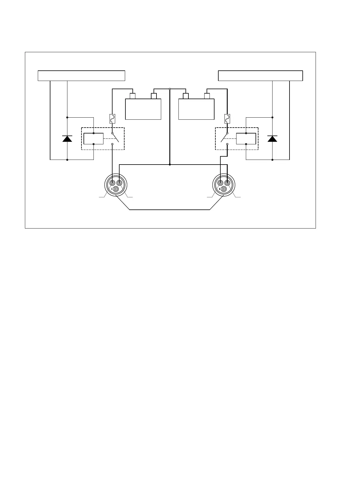
8.1.6 Electrical installation of systems with 2 engines, 2 actuators and 2 ignition keys
For the detailed list of components, please refer to the table at section 8.1.3.
R
+
-
F
A1
A2
Com
NO
D
+
-
D
R
A1
A2
F
Com
NO
L
N
L
N
Battery
Ignition key - Left engine
- Battery
Signal 15
Battery
Signal 15
- Battery
Ignition key - Right engine
Actuator power supply connector

Table of Contents

Other manuals for Vetus EC4

Related product manuals