EasyManua.ls Logo

Viessmann B1HF - System Component Wiring Schematics

Viessmann B1HF
116 pages
Print Icon
To Next Page IconTo Next Page
To Next Page IconTo Next Page
To Previous Page IconTo Previous Page
To Previous Page IconTo Previous Page
Loading...
99
R
P
O
N
M
L
K
H
G
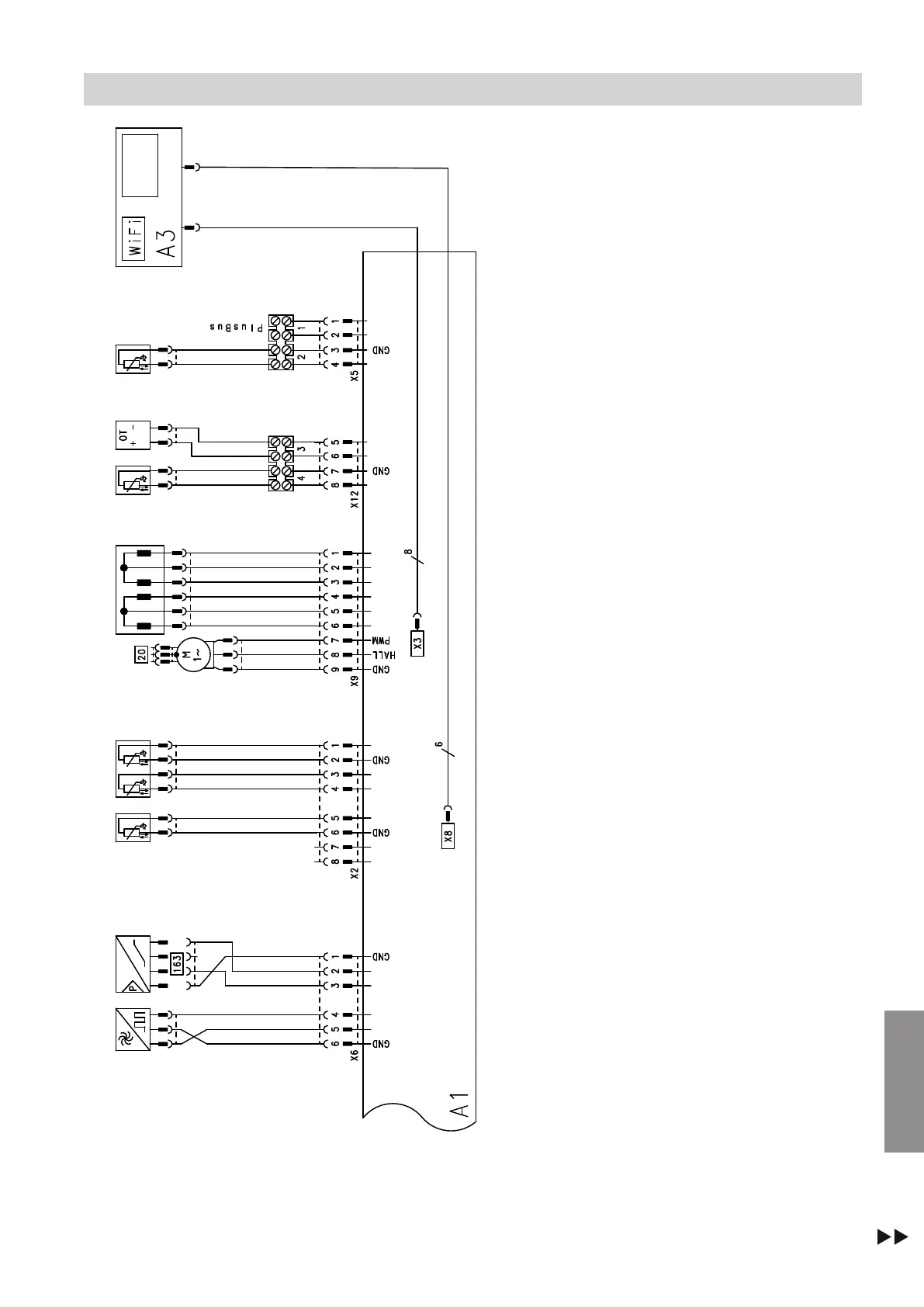
Fig. 62
A1 HBMU heat management unit
A3 Programming unit with communication module
X... Electrical interfaces
G
Flow sensor (combi boiler only)
H
Water pressure sensor
K
Flue gas temperature sensor
L
Boiler water temperature sensor
M
Circulation pump (PWM)
Connection and wiring diagram
(cont.)
6167586
Appendix

Table of Contents

Related product manuals