EasyManua.ls Logo

Viessmann B1HF - Connection and Wiring Diagrams; HBMU Heat Management Unit Wiring Diagram

Viessmann B1HF
116 pages
Print Icon
To Next Page IconTo Next Page
To Next Page IconTo Next Page
To Previous Page IconTo Previous Page
To Previous Page IconTo Previous Page
Loading...
98
F
E
D
B C
A
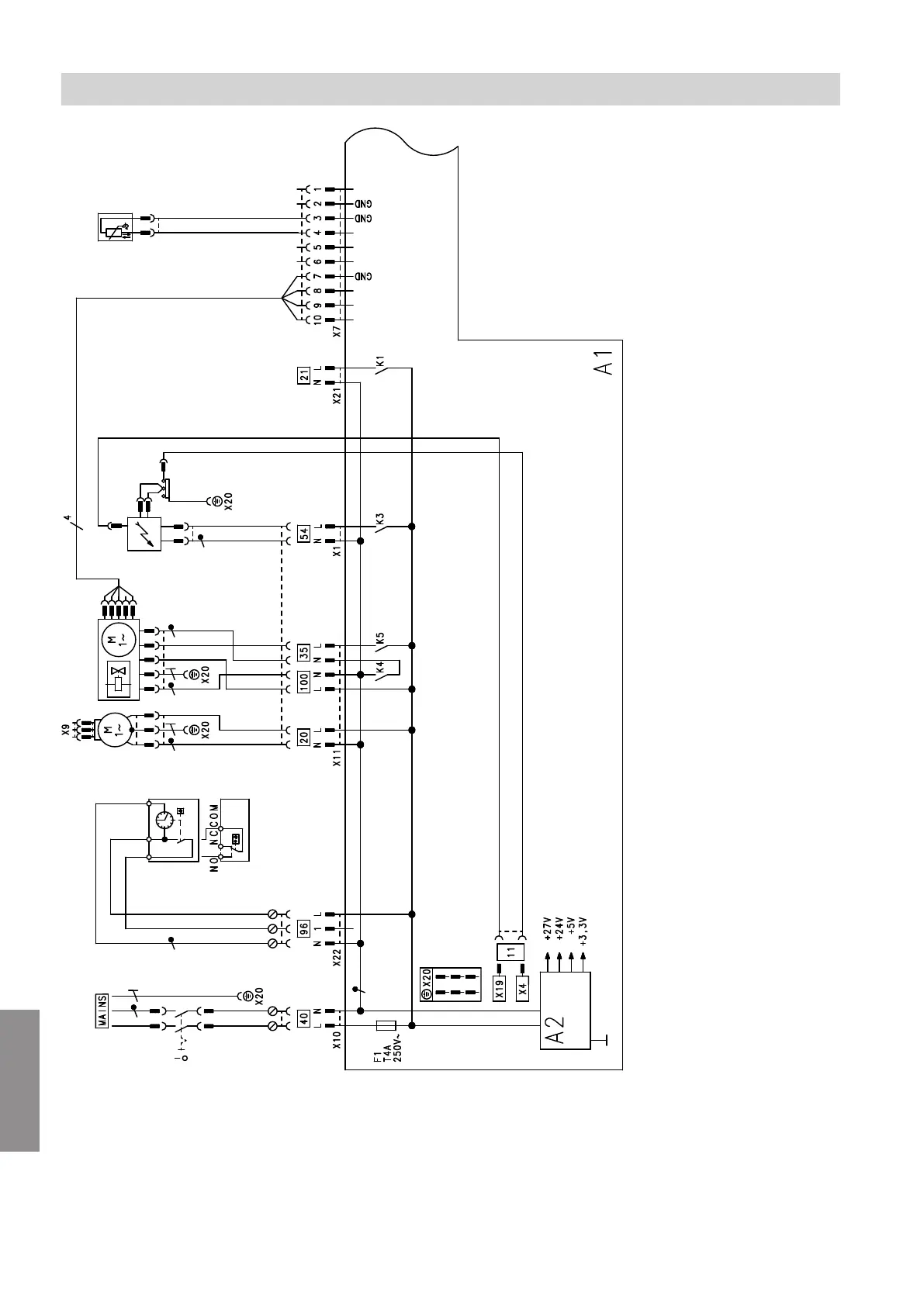
Fig. 61
A1 HBMU heat management unit
X... Electrical interfaces
A2 Power supply unit
A
Power supply
B
Vitotrol 100, type UTA
C
Vitotrol 100, type UTDB
D
Ignition unit/ionisation
gF
F
Outlet temperature sensor (combi boiler only)
dG
Gas solenoid valve
a-Ö
Fan motor
E
Fan motor control
lH
230 V connection accessories
Heating circuit pump
sA
No function
Connection and wiring diagram
HBMU heat management unit
6167586
Appendix

Table of Contents

Related product manuals