EasyManua.ls Logo

Viessmann VITOPLEX 300 Type TX3A - Burner Component Diagrams

Viessmann VITOPLEX 300 Type TX3A
80 pages
Print Icon
To Next Page IconTo Next Page
To Next Page IconTo Next Page
To Previous Page IconTo Previous Page
To Previous Page IconTo Previous Page
Loading...
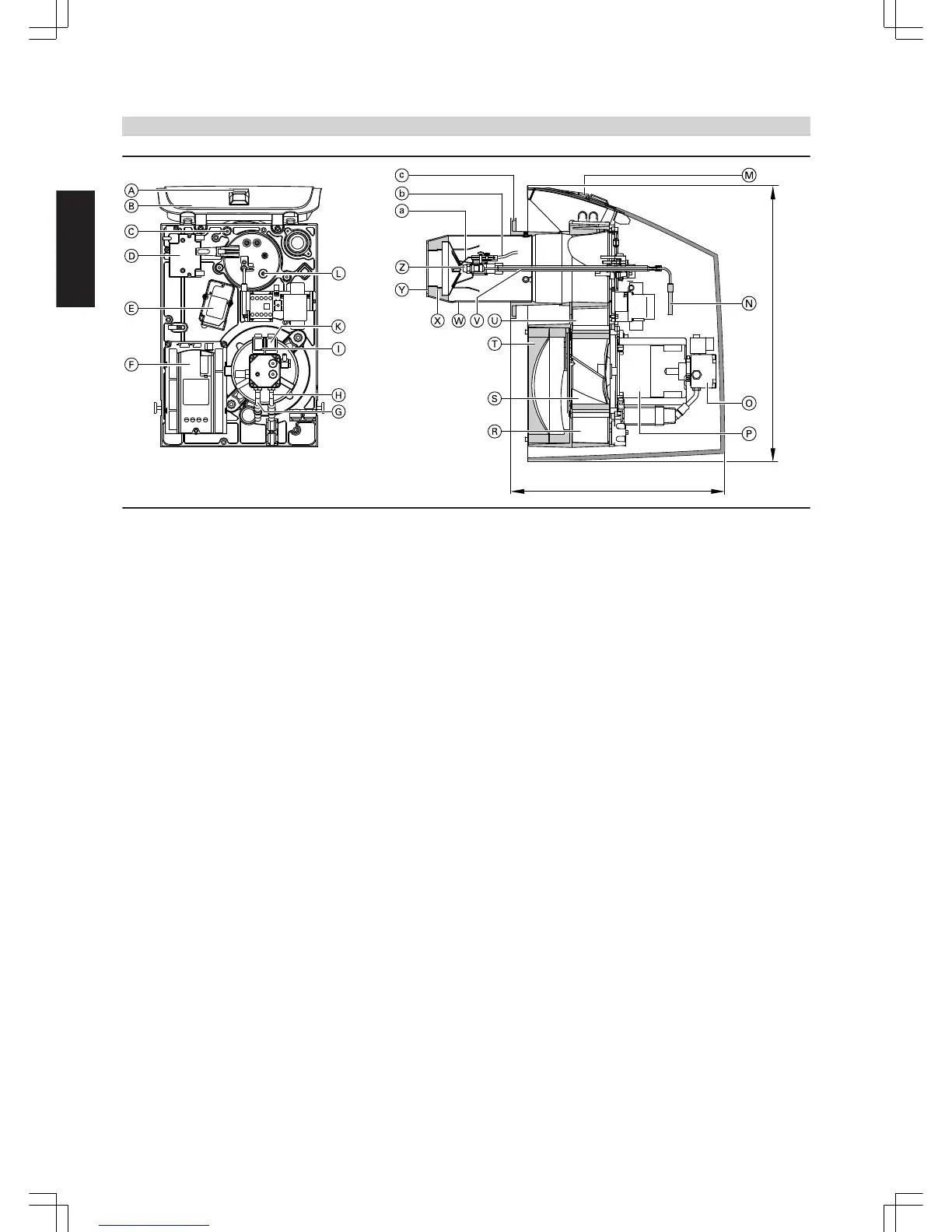
a
b
A
Service switch (for burner adjustment)
B
Hood adaptor
C
Quick-action fastener
D
Electronic ignition
E
Servomotor
F
Burner control unit
G
Return line
H
Suction line
I
Solenoid valve stage 2
K
Solenoid valve stage 1
L
Flame monitor
M
Reset button
N
Oil line
O
Oil pump
P
Fan motor
R
Fan housing
S
Impeller
T
Inlet air silencer
U
Air regulating valve
V
Blast tube connection
W
Flame tube
X
Guide stays
Y
Sensor plate
Z
Oil burner nozzle
a
Ignition electrodes
b
Ignition cable
c
Flange
Burner
(cont.)
14
VIESMANN
OIL/GAS BOILERS
8
5822 426 GB

Table of Contents

Related product manuals