EasyManua.ls Logo

Volvo DD29 - Page 155

Volvo DD29
172 pages
Print Icon
To Next Page IconTo Next Page
To Next Page IconTo Next Page
To Previous Page IconTo Previous Page
To Previous Page IconTo Previous Page
Loading...
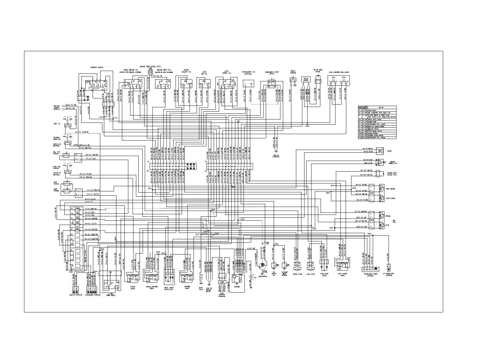
SCHEMATICS SECTION 10
DD-29/31HF/38HF VIBRATORY ASPHALT COMPACTORS 10-3
Electrical Schematic for DD-29/31HF/38HF Vibratory Asphalt Compactors (13305313)
OM13305313_0B01

Table of Contents

Related product manuals